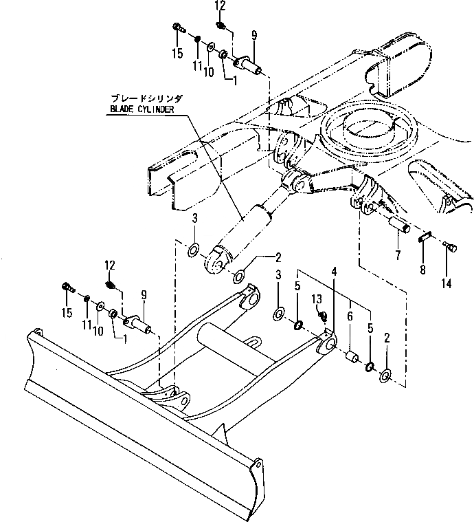
Запчасти Komatsu PC70FR-1 ОТВАЛ РАБОЧЕЕ ОБОРУДОВАНИЕ

Схема запчастей Komatsu PC70FR-1 - ОТВАЛ РАБОЧЕЕ ОБОРУДОВАНИЕ
FIT
1:1
100%

Артикул

Название

Примечание

Количество

1

YM172155-45790

SPACER

2

YM172147-82230

SHIM

3

YM172147-82250

SHIM

4

YM17218794100K

BLADE ASS'Y

5

YM172162-81050

SEAL

6

YM172162-81060

BUSHING

7

YM172162-94270

PIN

8

YM172162-94280

PLATE,LOCK

9

YM172187-94300

PIN

10

YM22157-140000

WASHER

11

YM22217-140000

WASHER

12

YM24761-020000

FITTING

13

YM24761-040000

FITTING

14

YM26013-120302

BOLT

15

YM26116-140352

BOLT

Выбрано товаров: 0