Запчасти Komatsu PC710-5 ОСНОВН. КОНСТРУКЦИЯ (ЭЛЕМЕНТЫ) (КРОМЕ ЯПОН.)(№8-) КАБИНА ОПЕРАТОРА И СИСТЕМА УПРАВЛЕНИЯ

Схема запчастей Komatsu PC710-5 - ОСНОВН. КОНСТРУКЦИЯ (ЭЛЕМЕНТЫ) (КРОМЕ ЯПОН.)(№8-) КАБИНА ОПЕРАТОРА И СИСТЕМА УПРАВЛЕНИЯ
FIT
1:1
100%

Артикул

Название

Примечание

Количество

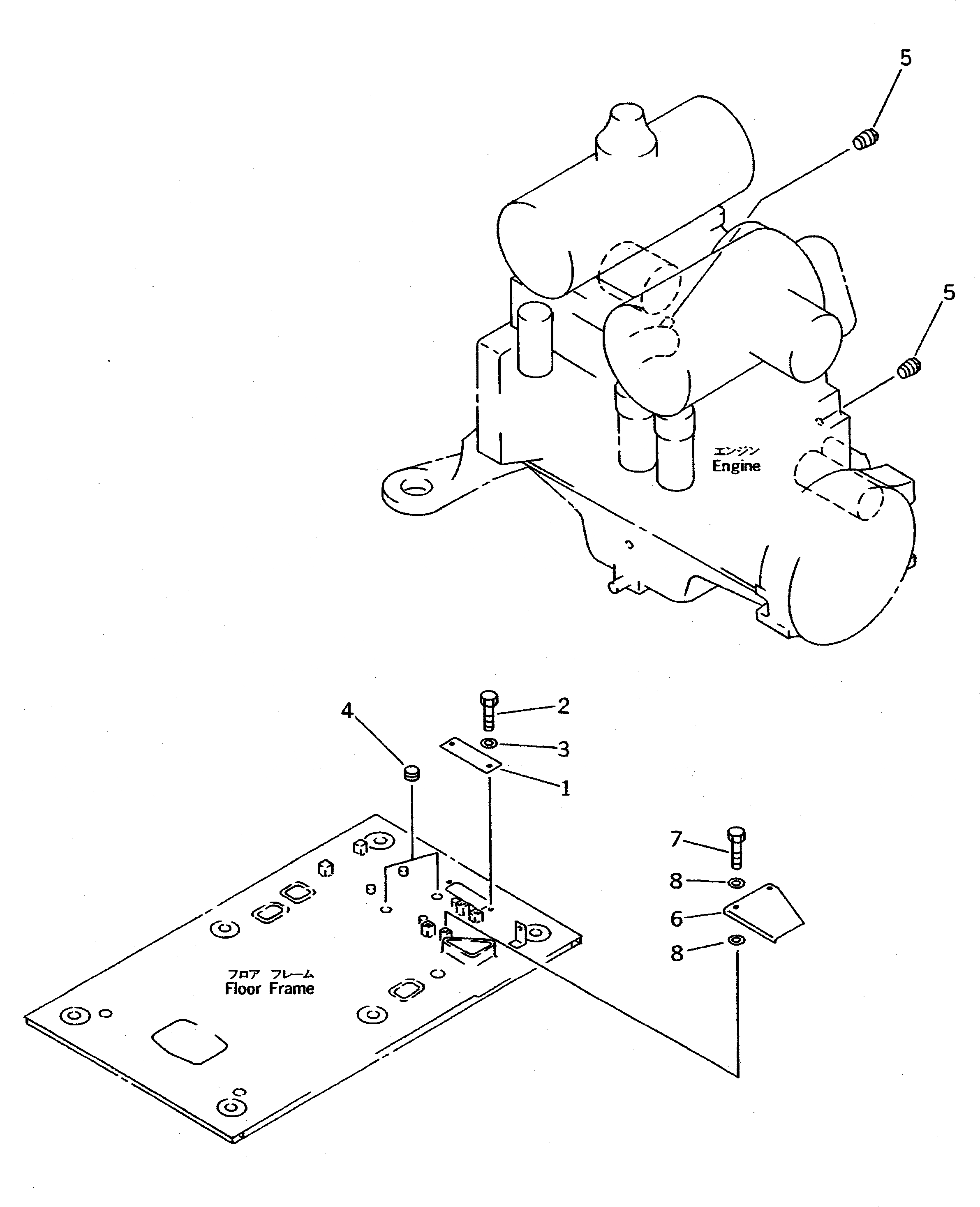
1

209-54-51240

COVER

2

01010-51025

BOLT

3

01643-31032

WASHER

4

09415-02520

CAP

5

07042-70415

PLUG

6

209-977-6120

COVER

7

01010-51025

BOLT

8

01643-31032

WASHER

Выбрано товаров: 8