Качественные детали и логистика
Оригинальные и аналоговые запчасти с доставкой по России, Казахстану и Беларуси
©2022 PartSell ООО "Система" ИНН 2463123282 ОГРН 1212400004838
Центральный офис: г. Красноярск, Академика Киренского, д.87, пом.4
Телефон: 8 (800) 777-65-74 Email: zakaz@partsell.ru
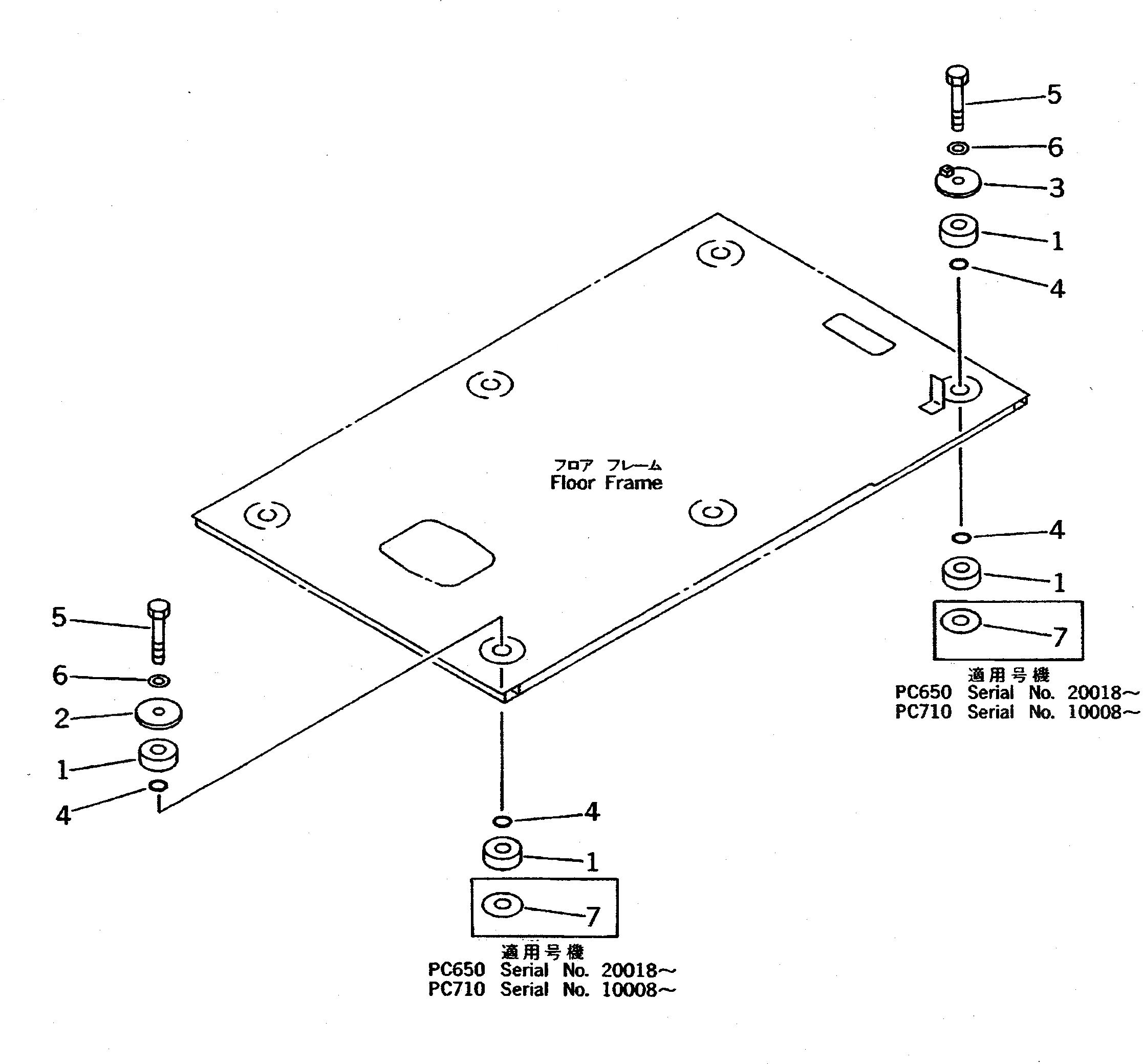
КРЕПЛЕНИЕ ОСН. КОНСТРУКЦИИ(№-7)
№
Артикул
Название
Примечание
Количество
1
205-54-71680
CUSHION
2
205-54-71691
PLATE
3
209-54-62110
4
07000-03028
O-RING
5
01010-51690
BOLT
6
01643-31645
WASHER
7
205-54-72640
SPACER
Выбрано товаров: 0