Запчасти Komatsu PC710-5 ПОВОРОТН. НАСОС (/7) ГИДРАВЛИКА

Схема запчастей Komatsu PC710-5 - ПОВОРОТН. НАСОС (/7) ГИДРАВЛИКА
FIT
1:1
100%

Артикул

Название

Примечание

Количество

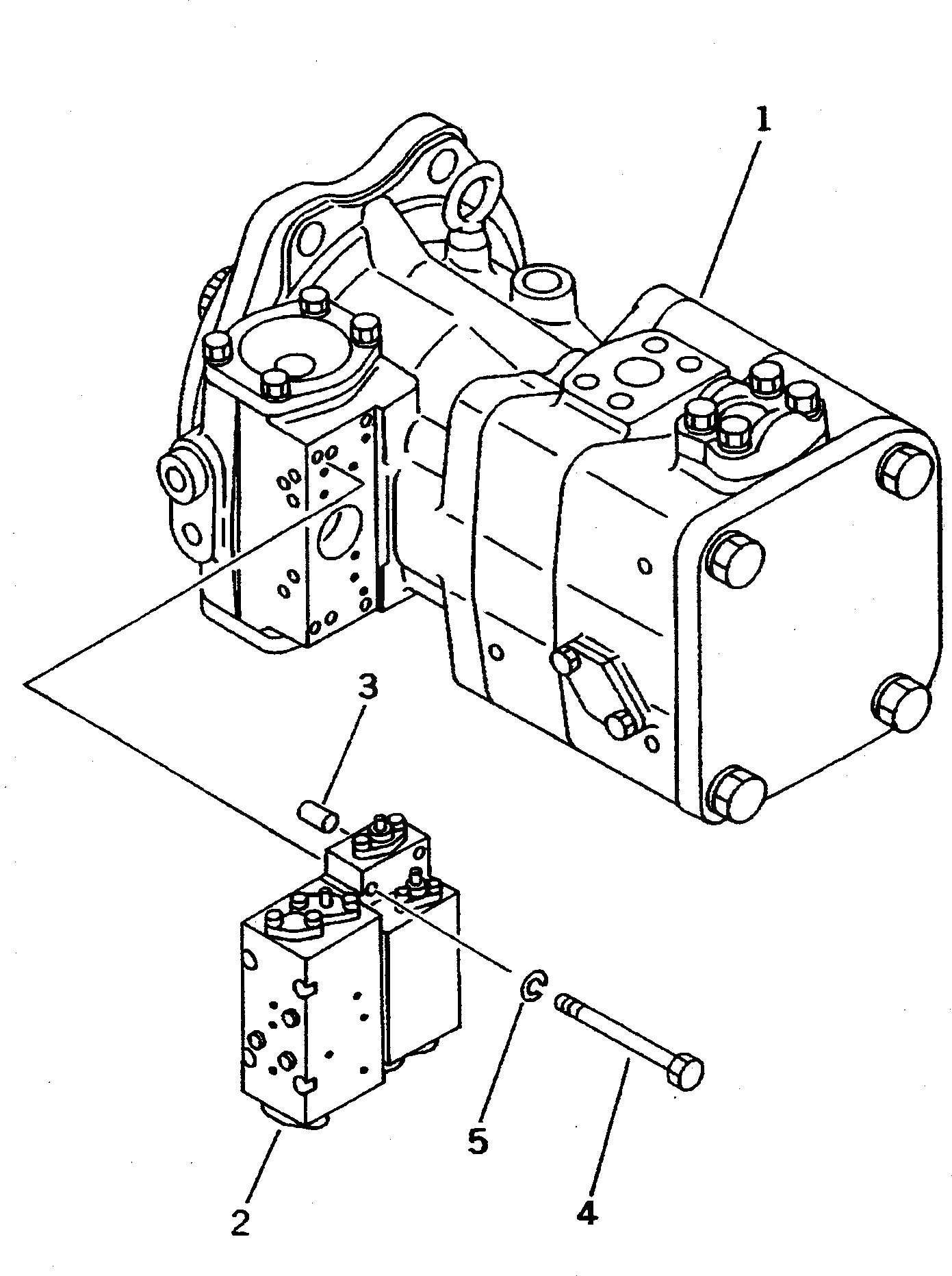
|1

708-17-01040

PUMP ASS'Y,(HPV 160)

1

708-17-01140

PUMP SUB ASS'Y

2

708-17-07130

SERVO VALVE ASS'Y

3

04020-00616

PIN,DOWEL

4

708-25-19130

BOLT

5

01602-20825

WASHER,SPRING

Выбрано товаров: 6