Качественные детали и логистика
Оригинальные и аналоговые запчасти с доставкой по России, Казахстану и Беларуси
©2022 PartSell ООО "Система" ИНН 2463123282 ОГРН 1212400004838
Центральный офис: г. Красноярск, Академика Киренского, д.87, пом.4
Телефон: 8 (800) 777-65-74 Email: zakaz@partsell.ru
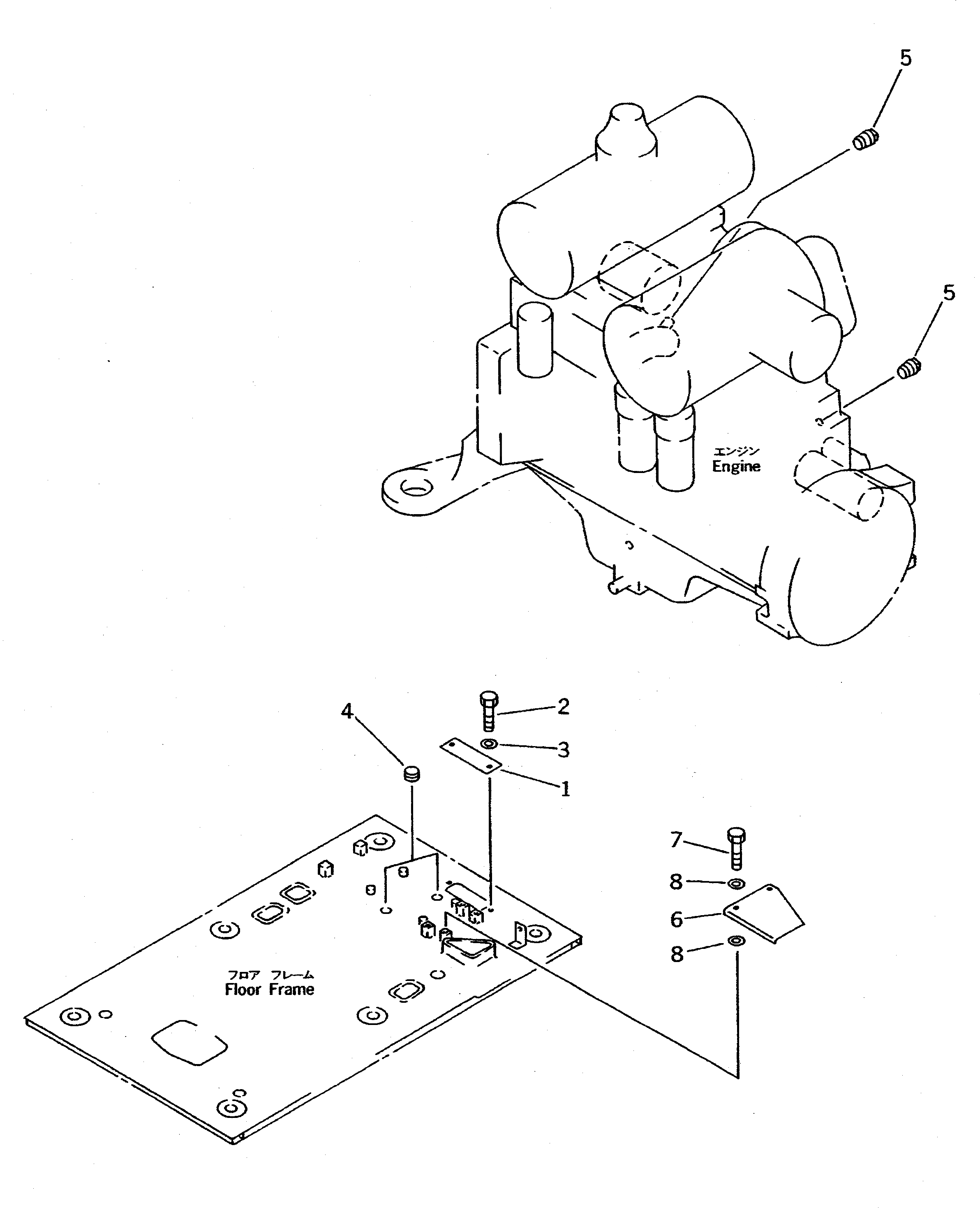
ОСНОВН. КОНСТРУКЦИЯ (ЭЛЕМЕНТЫ) (КРОМЕ ЯПОН.)(№8-)
№
Артикул
Название
Примечание
Количество
1
209-54-51240
COVER
2
01010-51025
BOLT
3
01643-31032
WASHER
4
09415-02520
CAP
5
07042-70415
PLUG
6
209-977-6120
7
8
Выбрано товаров: 0