Запчасти Komatsu PC710SE-5 ПРАВ. УПРАВЛ-Е СТОЙКА (С -STAGE SELECTOR MODE OLSS)(С РАДИО) (EXCEPT JAJAN)(№8-) КАБИНА ОПЕРАТОРА И СИСТЕМА УПРАВЛЕНИЯ

Схема запчастей Komatsu PC710SE-5 - ПРАВ. УПРАВЛ-Е СТОЙКА (С -STAGE SELECTOR MODE OLSS) (С РАДИО) (EXCEPT JAJAN)(№8-) КАБИНА ОПЕРАТОРА И СИСТЕМА УПРАВЛЕНИЯ
FIT
1:1
100%

Артикул

Название

Примечание

Количество

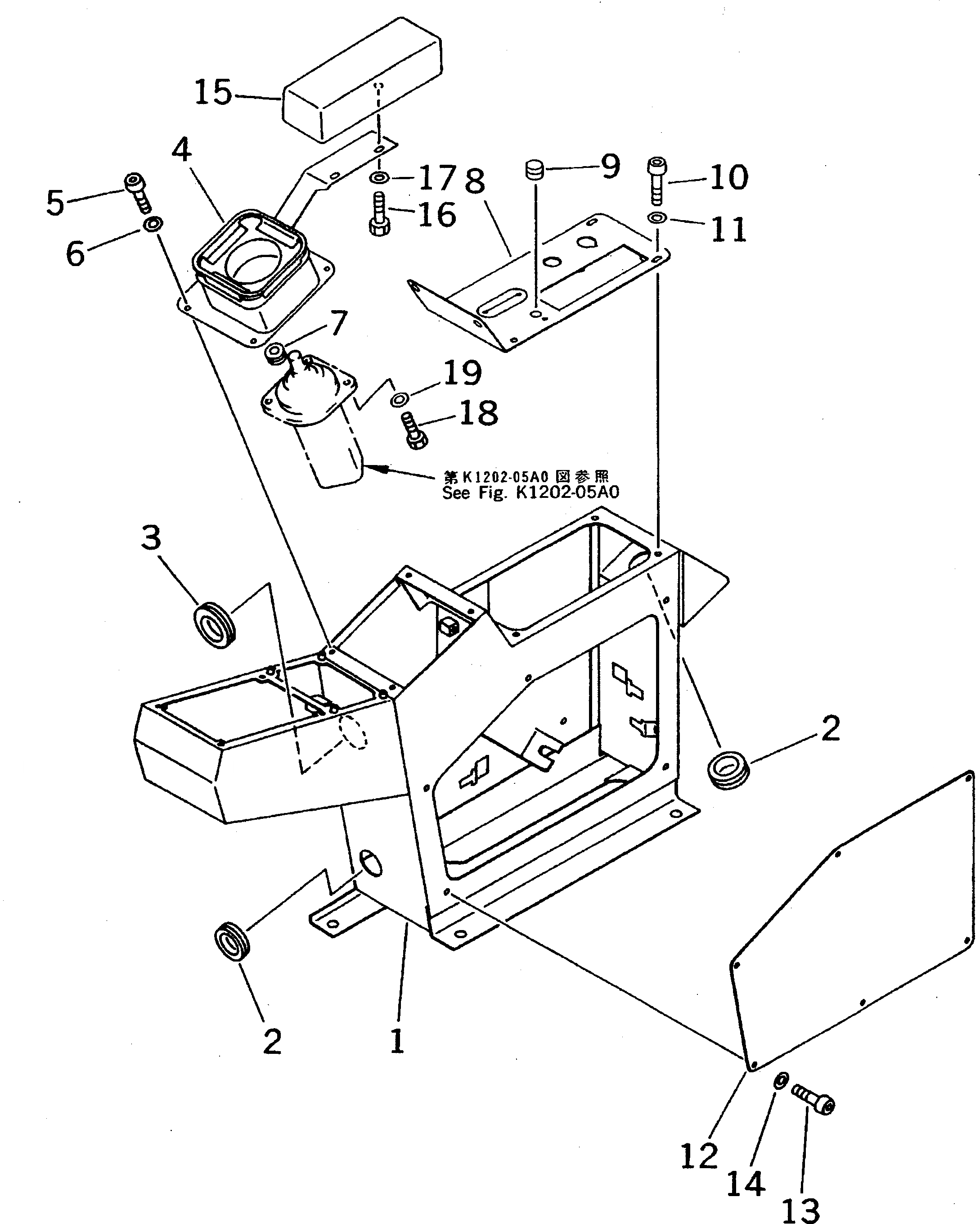
1

209-43-61122

BOX,R.H.

2

08037-03614

GROMMET

3

581-35-15430

GROMMET

4

209-43-61740

COVER,R.H.

5

01245-00620

SCREW

6

205-43-73420

WASHER

7

08037-01008

GROMMET

8

209-43-61163

PANEL,R.H.

9

09415-00706

CAP

10

209-43-61340

SCREW

11

205-43-73420

WASHER

12

209-43-61230

COVER,R.H.

13

01010-50616

BOLT

14

01643-30623

WASHER

15

209-43-63151

ARM REST

16

01010-50830

BOLT

17

01643-30823

WASHER

18

01010-50825

BOLT

19

01643-30823

WASHER

Выбрано товаров: 0