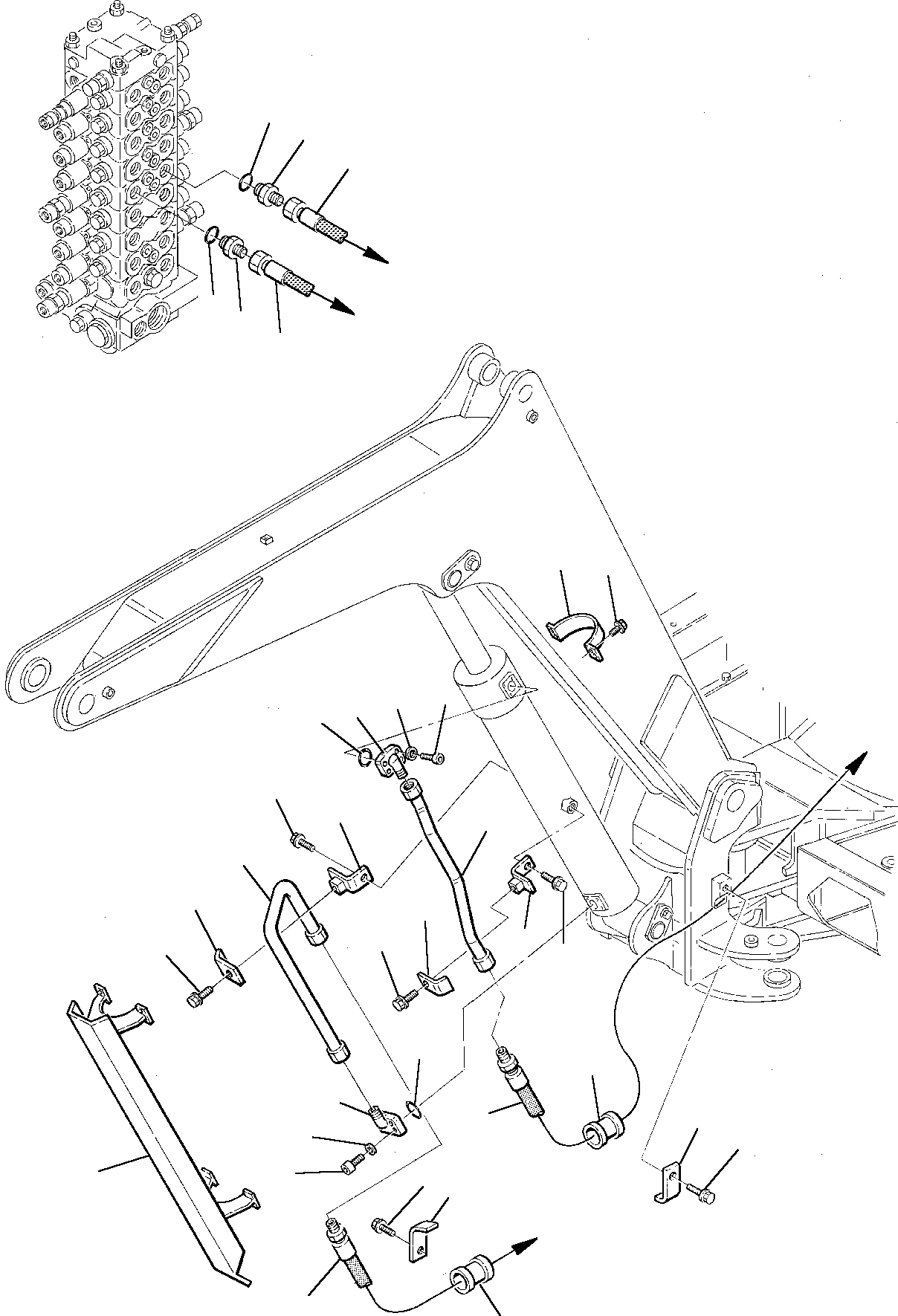
Запчасти Komatsu PC75-1 ГИДРОЛИНИЯ (ЦИЛИНДР СТРЕЛЫ) УПРАВЛ-Е РАБОЧИМ ОБОРУДОВАНИЕМ

Схема запчастей Komatsu PC75-1 - ГИДРОЛИНИЯ (ЦИЛИНДР СТРЕЛЫ) УПРАВЛ-Е РАБОЧИМ ОБОРУДОВАНИЕМ
b
b
a
a
2
1
3
2
1
3
18
19
13
14
12
15
8
7
11
16
9
9
10
10
7
8
15
4
12
3
5
14
6
17
13
6
5
3
4
FIT
1:1
100%

Артикул

Название

Примечание

Количество

1

22E-62-11320

UNION

2

21D-09-69740

O-RING

3

21D-09-95620

HOSE

4

21D-62-11130

RING

5

21D-62-15220

CLAMP

6

01435-01025

BOLT

7

21D-62-11110

CLAMP

8

01435-01020

BOLT

9

21D-62-11140

CLAMP

10

01435-01025

BOLT

11

22E-62-11510

PIPE

12

21D-09-53130

FLANGE

13

01252-40830

SCREW

14

21D-09-73690

SPRING WASHER

15

21D-09-69870

O-RING

16

22E-62-11520

PIPE

17

21D-70-11170

PROTECTION

18

22E-62-11530

COLLAR

19

01435-01020

BOLT

Выбрано товаров: 0