Запчасти Komatsu PC750-6-AM ОСНОВН. КОНСТРУКЦИЯ (КРЕПЛЕНИЕ ПОДУШКИ) (NO КОНДИЦ.DITIONED)(№-) КАБИНА ОПЕРАТОРА И СИСТЕМА УПРАВЛЕНИЯ

Схема запчастей Komatsu PC750-6-AM - ОСНОВН. КОНСТРУКЦИЯ (КРЕПЛЕНИЕ ПОДУШКИ) (NO КОНДИЦ.DITIONED)(№-) КАБИНА ОПЕРАТОРА И СИСТЕМА УПРАВЛЕНИЯ
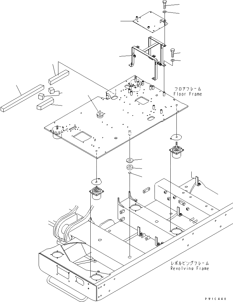
1
2
2
3
4
5
6
7
8
9
10
11
12
13
FIT
1:1
100%

Артикул

Название

Примечание

Количество

1

207-54-65210

CUSHION

2

207-54-65190

PLATE

3

07000-13025

O-RING

4

209-06-77430

BRACKET

5

209-06-77390

BRACKET

6

01010-81025

BOLT

7

01643-31032

WASHER

8

209-54-77950

SEAL

9

209-54-77960

SEAL

10

209-54-77970

SEAL

11

209-54-77980

SEAL

12

01010-81030

BOLT

13

01643-31032

WASHER

Выбрано товаров: 0