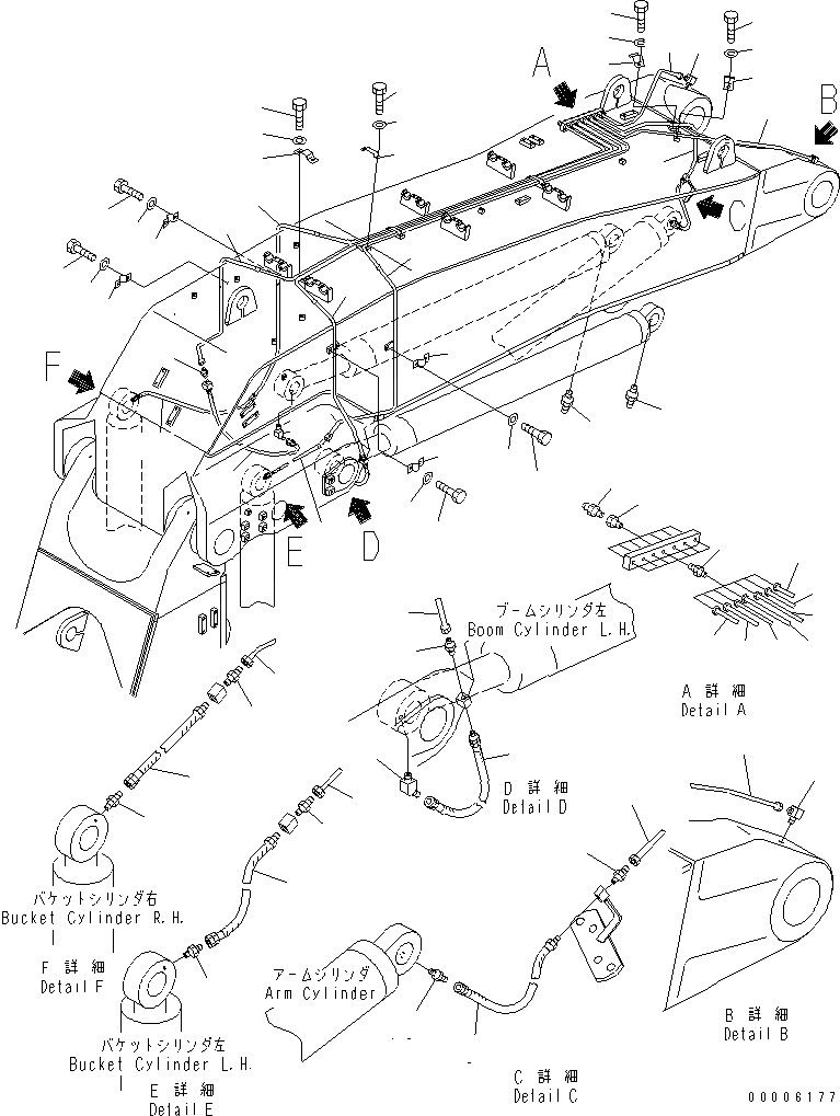
Запчасти Komatsu PC750-6-AM РАБОЧЕЕ ОБОРУДОВАНИЕ (СМАЗКА) (СТРЕЛА) (ДЛЯ ПОГРУЗ.) (СОЕДИНИТЕЛЬН. ЗВЕНО LESS)(№-) РАБОЧЕЕ ОБОРУДОВАНИЕ

Схема запчастей Komatsu PC750-6-AM - РАБОЧЕЕ ОБОРУДОВАНИЕ (СМАЗКА) (СТРЕЛА) (ДЛЯ ПОГРУЗ.) (СОЕДИНИТЕЛЬН. ЗВЕНО LESS)(№-) РАБОЧЕЕ ОБОРУДОВАНИЕ
1
2
3
4
4
4
5
6
7
8
9
10
11
11
11
12
13
14
15
16
17
18
19
20
21
21
22
23
24
25
26
27
28
28
28
29
30
31
32
33
33
34
35
35
35
36
37
38
39
40
40
41
42
42
43
43
43
44
45
46
47
48
48
49
50
51
52
FIT
1:1
100%

Артикул

Название

Примечание

Количество

1

07020-00000

FITTING

2

07326-10201

ADAPTER

3

07213-51013

CONNECTOR

4

209-72-76110

TUBE

5

07213-51013

CONNECTOR

6

209-72-56180

CLIP

7

01010-81220

BOLT

8

01643-31232

WASHER

9

209-72-16120

HOSE

10

205-70-51390

NIPPLE

11

209-72-73230

TUBE L.H

12

209-72-56190

CLIP

13

01010-81220

BOLT

14

01643-31232

WASHER

15

209-72-56180

CLIP

16

01010-81220

BOLT

17

01643-31232

WASHER

18

07213-51013

CONNECTOR

19

209-72-16730

HOSE

20

205-70-65780

ELBOW

21

209-72-73241

TUBE L.H

22

209-72-56180

CLIP

23

01010-81220

BOLT

24

01643-31232

WASHER

25

07213-51013

CONNECTOR

26

209-72-16730

HOSE

27

205-70-65780

ELBOW

28

209-72-73210

TUBE L.H

29

209-72-56180

CLIP

30

01010-81220

BOLT

31

01643-31232

WASHER

32

07213-51013

CONNECTOR

33

421-70-13132

HOSE

34

205-70-51390

NIPPLE

35

209-72-73221

TUBE L.H

36

209-72-56180

CLIP

37

01010-81220

BOLT

38

01643-31232

WASHER

39

07213-51013

CONNECTOR

40

421-70-13132

HOSE

41

205-70-51390

NIPPLE

42

07020-00000

FITTING

43

209-72-66110

TUBE

44

209-72-16140

ELBOW

45

209-72-56180

CLIP

46

01010-81220

BOLT

47

01643-31232

WASHER

48

209-72-76120

TUBE

49

209-72-16140

ELBOW

50

208-70-11450

CLIP

51

01010-80612

BOLT

52

01643-30623

WASHER

Выбрано товаров: 52