Запчасти Komatsu PC750-6-AM КОВШ КОНТРОЛЬНЫЙ КЛАПАН( АКТУАТОР) (COMPONENT)(№-) ГИДРАВЛИКА

Схема запчастей Komatsu PC750-6-AM - КОВШ КОНТРОЛЬНЫЙ КЛАПАН( АКТУАТОР) (COMPONENT)(№-) ГИДРАВЛИКА
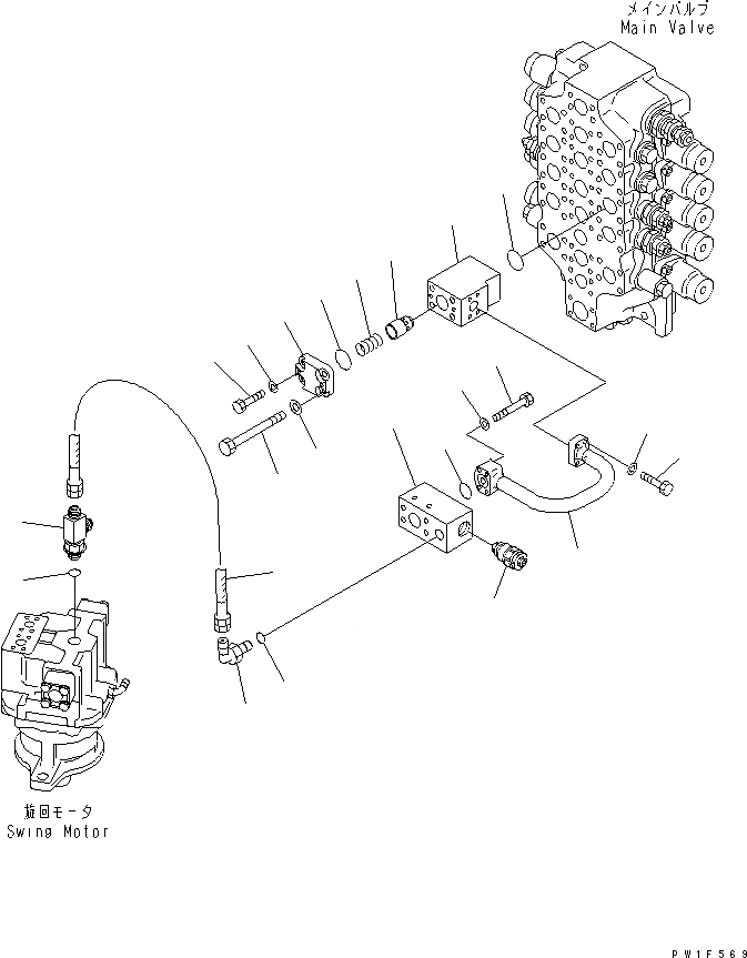
1
2
3
4
5
6
7
8
9
10
11
12
13
14
15
16
17
18
19
20
21
22
23
FIT
1:1
100%

Артикул

Название

Примечание

Количество

|1

209-60-71700

VALVE ASS'Y

1

01010-80845

BOLT

2

01643-50823

WASHER

3

07750-04595

SPRING

4

209-60-52720

POPPET

5

209-60-71710

BLOCK

6

209-60-71720

COVER

7

21T-09-11510

O-RING

8

21T-09-11510

O-RING

9

01011-81490

BOLT

10

01643-31445

WASHER

11

209-62-76890

TUBE

12

21T-09-11470

O-RING

13

07372-21060

BOLT

14

01643-51032

WASHER

15

07372-21040

BOLT

16

01643-51032

WASHER

17

209-62-76920

BLOCK

18

709-90-71100

VALVE ASS'Y

19

07235-10628

ELBOW

20

07002-12434

O-RING

21

07626-00606

HOSE

22

209-64-14110

TEE

23

07002-13334

O-RING

Выбрано товаров: 24