Запчасти Komatsu PC750-6 PPC ЛИНИЯ СОЕД-Е (КЛАПАН) (ДЛЯ ПОГРУЗ.)(№-) ГИДРАВЛИКА

Схема запчастей Komatsu PC750-6 - PPC ЛИНИЯ СОЕД-Е (КЛАПАН) (ДЛЯ ПОГРУЗ.)(№-) ГИДРАВЛИКА
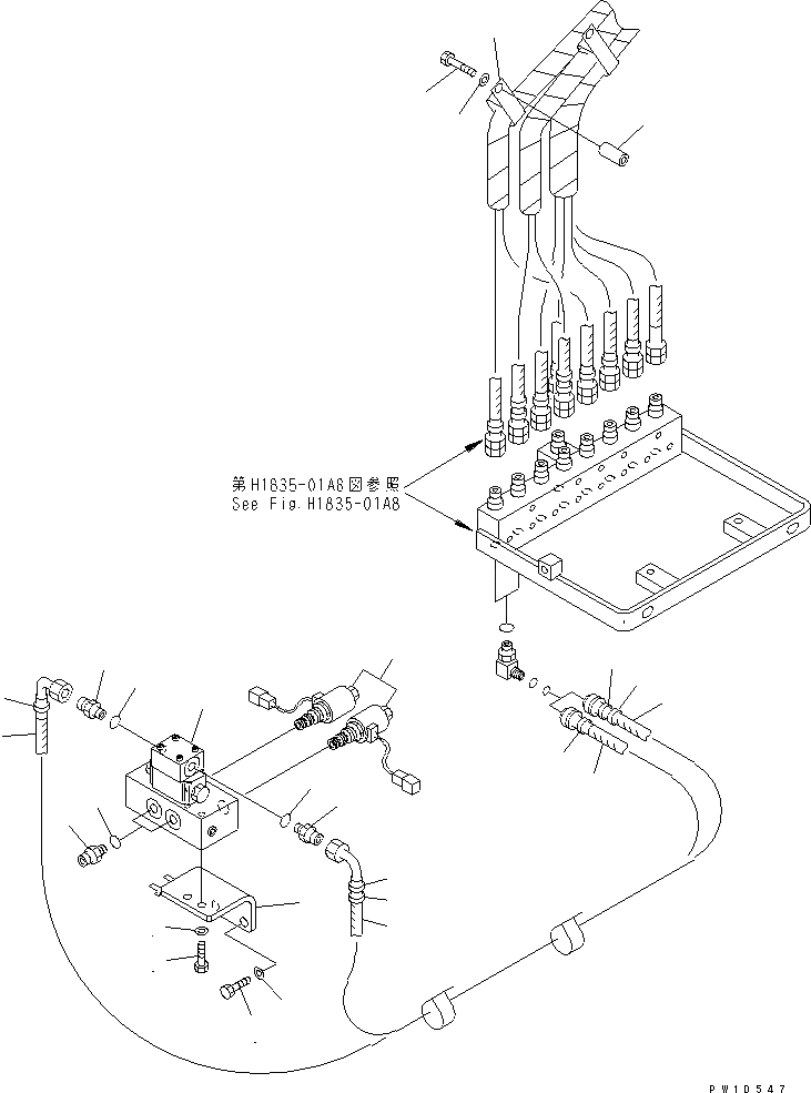
1
2
3
3
3
4
4
4
5
6
7
8
9
10
10
11
11
12
12
13
13
14
14
15
16
17
18
FIT
1:1
100%

Артикул

Название

Примечание

Количество

1

209-60-77190

VALVE ASS'Y

2

209-60-77290

SOLENOID VALVE

2

209-60-77280

SOLENOID ASS'Y

3

205-62-55270

NIPPLE

4

07002-11423

O-RING

5

209-64-11230

BRACKET

6

01010-81025

BOLT

7

01643-31032

WASHER

8

01010-81230

BOLT

9

01643-31232

WASHER

10

209-64-11460

HOSE, 1400MM

11

209-64-11590

HOSE, 1500MM

12

20Y-62-22790

BAND, RED

13

20Y-62-22830

BAND, WHITE

14

20Y-62-22860

BAND, BROWN

15

04435-51812

CLIP

16

01010-81250

BOLT

17

01643-31232

WASHER

18

195-33-11220

SPACER

Выбрано товаров: 19