Запчасти Komatsu PC750-6 КАБИНА (ОСНОВ.)(№-) КАБИНА ОПЕРАТОРА И СИСТЕМА УПРАВЛЕНИЯ

Схема запчастей Komatsu PC750-6 - КАБИНА (ОСНОВ.)(№-) КАБИНА ОПЕРАТОРА И СИСТЕМА УПРАВЛЕНИЯ
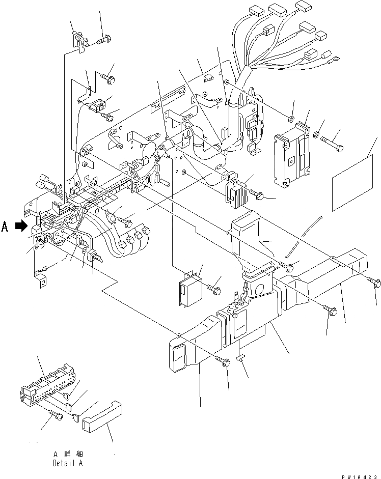
1
2
3
4
5
6
7
8
9
10
11
12
13
14
14
15
15
16
17
18
19
20
21
22
23
24
25
26
27
28
29
30
31
32
33
33
34
35
36
37
38
39
FIT
1:1
100%

Артикул

Название

Примечание

Количество

1

207-06-61510

BASE

2

20Y-06-24120

SWITCH ASS'Y

3

01641-21223

WASHER

4

569-06-61960

RELAY

5

01435-00610

BOLT

6

209-06-77211

WIRING HARNESS

7

205-06-73180

FUSE, 15A

8

283-06-16110

BOX

9

283-06-16120

COVER

10

283-06-16190

FUSE, 10A

11

22W-06-13160

FUSE, 20A

12

20Y-06-24130

SWITCH

13

20Y-06-24270

CLIP

14

20Y-06-21460

CLIP

15

20Y-06-23960

CLIP

16

01023-10625

SCREW

17

20Y-979-2130

BOX ASS'Y

18

01435-01016

BOLT

19

20Y-979-2221

DUCT

20

01435-00610

BOLT

21

20Y-979-2231

DUCT

22

01435-00610

BOLT

23

20Y-979-2242

DUCT

24

01435-00610

BOLT

25

7827-11-1520

RESISTOR

26

01435-00820

BOLT

27

569-06-61850

BUZZER

28

01023-10412

SCREW

29

21M-06-15240

BRACKET

30

01435-00610

BOLT

31

7834-22-8000

CONTROLLER

31

7834-22-9003

CONTROLLER,PUMP

31

7834-22-9002

CONTROLLER,PUMP

32

567-99-71240

BOLT

33

567-99-71250

SPACER

34

20Y-06-25130

RELAY BOX ASS'Y

35

01435-00630

BOLT

36

08051-00801

CLIP

37

20Y-06-23521

LOCK

38

01435-00820

BOLT

39

20Y-06-24220

SHEET

Выбрано товаров: 41