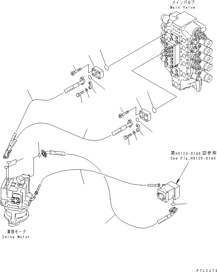
Запчасти Komatsu PC750-6 КЛАПАН ПОДАЮЩ. ТРУБЫ (ПОВОРОТН.)(№9-999) ГИДРАВЛИКА

Схема запчастей Komatsu PC750-6 - КЛАПАН ПОДАЮЩ. ТРУБЫ (ПОВОРОТН.)(№9-999) ГИДРАВЛИКА
1
1
2
2
3
3
4
4
5
5
6
6
7
8
9
9
9
10
11
11
12
FIT
1:1
100%

Артикул

Название

Примечание

Количество

1

209-62-52230

PLATE

2

01252-41445

BOLT

3

21T-09-11510

O-RING

4

07371-31049

FLANGE

5

07372-21035

BOLT

6

01643-51032

WASHER

7

07097-01008

HOSE

8

07097-01010

HOSE

9

07000-13032

O-RING

10

209-62-75670

HOSE

11

07000-03032

O-RING

12

07108-20306

HOSE

Выбрано товаров: 12