Качественные детали и логистика
Оригинальные и аналоговые запчасти с доставкой по России, Казахстану и Беларуси
©2022 PartSell ООО "Система" ИНН 2463123282 ОГРН 1212400004838
Центральный офис: г. Красноярск, Академика Киренского, д.87, пом.4
Телефон: 8 (800) 777-65-74 Email: zakaz@partsell.ru
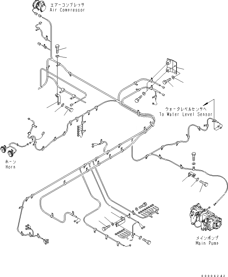
ЭЛЕКТРОПРОВОДКА (КОРПУС)
№
Артикул
Название
Примечание
Количество
1
207-62-62770
BRACKET
2
01010-81230
BOLT
3
01643-31232
WASHER
4
195-06-41930
5
01010-81225
6
7
209-06-77171
8
01010-81025
9
01643-31032
10
203-62-56381
11
12
Выбрано товаров: 0