Запчасти Komatsu PC750-7 ОСНОВН. КЛАПАН (4-Х СЕКЦИОНН.) (/) ОСНОВН. КОМПОНЕНТЫ И РЕМКОМПЛЕКТЫ

Схема запчастей Komatsu PC750-7 - ОСНОВН. КЛАПАН (4-Х СЕКЦИОНН.) (/) ОСНОВН. КОМПОНЕНТЫ И РЕМКОМПЛЕКТЫ
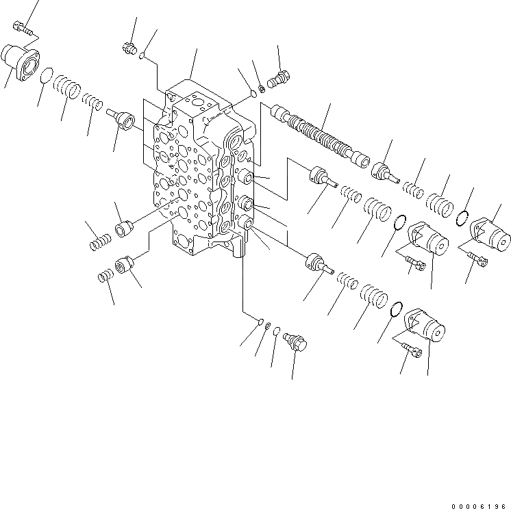
1
2
3
4
5
6
7
8
9
10
11
12
13
14
15
15
15
16
16
16
17
17
17
17
18
18
18
18
19
19
19
20
20
20
20
21
22
23
24
25
26
27
FIT
1:1
100%

Артикул

Название

Примечание

Количество

|$1

709-14-93901

CONTROL VALVE

|$4

BODY GROUP ASS'Y

1

BODY,VALVE

2

SPOOL

3

SPOOL SUB ASS'Y

4

SPOOL SUB ASS'Y

5

SPOOL

6

700-22-11370

PLUG

7

07002-12434

O-RING

8

709-14-11510

PLUG

9

700-80-61260

O-RING

10

700-80-61430

RING

11

700-94-11260

PLUG

12

07002-13634

O-RING

13

07000-12018

O-RING

14

07001-02018

RING,BACK-UP

15

709-14-11520

CASE

16

709-14-11530

RETAINER

17

709-14-11550

SPRING

18

709-14-11560

SPRING

19

07000-12065

O-RING

20

01252-61035

BOLT

21

709-12-11411

VALVE,CHECK

22

709-14-11840

VALVE,CHECK

23

709-12-11430

SPRING

24

709-14-11721

SPRING

25

709-14-12380

RETAINER

26

709-14-12390

CASE,SPRING

27

6354-81-5670

O-RING

Выбрано товаров: 29