Запчасти Komatsu PC750LC-6 ПРИВОД НАСОС (СОЕДИНИТ. ЧАСТИ)(№9-999) ГИДРАВЛИКА

Схема запчастей Komatsu PC750LC-6 - ПРИВОД НАСОС (СОЕДИНИТ. ЧАСТИ)(№9-999) ГИДРАВЛИКА
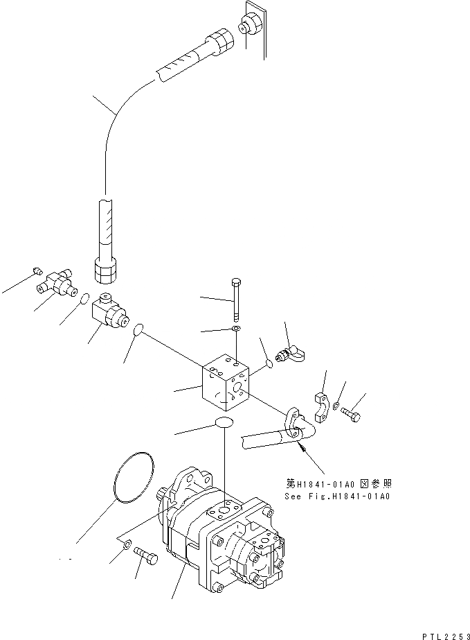
1
2
3
4
5
6
7
8
9
10
11
12
13
14
15
16
17
18
19
FIT
1:1
100%

Артикул

Название

Примечание

Количество

1

705-52-31070

PUMP ASS'Y

2

209-62-79610

BLOCK

3

01011-81005

BOLT

4

01643-31032

WASHER

5

07000-13035

O-RING

6

07371-31049

FLANGE

7

07372-21035

BOLT

8

01643-51032

WASHER

9

209-62-52680

ELBOW

10

07002-12434

O-RING

11

799-101-5220

NIPPLE

12

07002-12434

O-RING

13

21N-62-17930

TEE

14

07002-12034

O-RING

15

07042-30108

PLUG

16

07102-20604

HOSE

17

01010-81240

BOLT

18

01643-31232

WASHER

19

07000-12130

O-RING

Выбрано товаров: 0