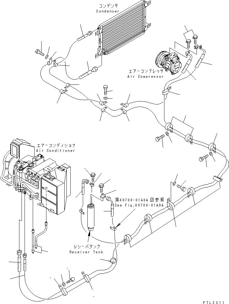
Запчасти Komatsu PC750LC-6K-01 КОНДИЦ. ВОЗДУХА (СОЕДИН-Е)(№K-K999) КАБИНА ОПЕРАТОРА И СИСТЕМА УПРАВЛЕНИЯ

Схема запчастей Komatsu PC750LC-6K-01 - КОНДИЦ. ВОЗДУХА (СОЕДИН-Е)(№K-K999) КАБИНА ОПЕРАТОРА И СИСТЕМА УПРАВЛЕНИЯ
1
1
2
2
3
3
4
4
5
6
7
8
8
9
10
11
12
12
13
13
14
14
15
16
17
18
19
19
19
19
20
20
20
20
21
21
22
22
23
24
24
FIT
1:1
100%

Артикул

Название

Примечание

Количество

1

209-979-7421

HOSE

|1

20Y-979-3150

O-RING

2

209-979-7430

HOSE

|2

20Y-979-3130

O-RING

3

209-979-7440

HOSE

|3

20Y-979-3140

O-RING

4

209-979-7451

HOSE

|4

20Y-979-3150

O-RING

5

209-979-7460

JOINT

|5

20Y-979-3150

O-RING

6

17A-911-1671

JOINT

|6

20Y-979-3150

O-RING

7

209-979-1250

HOSE

8

04435-52112

CLIP

9

01010-81230

BOLT

10

01643-31232

WASHER

11

08034-00536

BAND

12

20Y-62-15950

CLIP

13

01010-81225

BOLT

14

01643-31232

WASHER

15

20Y-62-15951

CLIP

16

01010-81225

BOLT

17

01643-31232

WASHER

18

04435-52110

CLIP

19

04434-51912

CLIP

20

04434-51612

CLIP

21

01010-81230

BOLT

22

01643-31232

WASHER

23

01435-00630

BOLT

24

01435-00625

BOLT

Выбрано товаров: 30