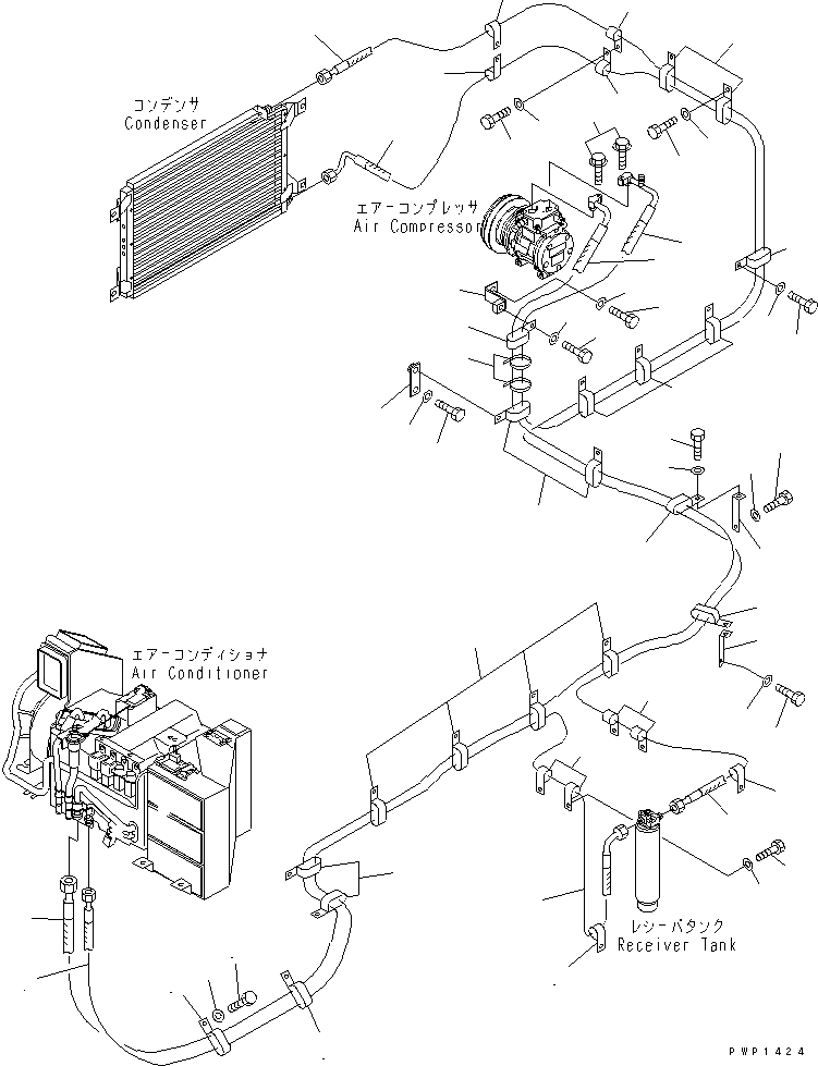
Запчасти Komatsu PC750LC-6K-01 КОНДИЦ. ВОЗДУХА (СОЕД. ШЛАНГОВ)(№K-) КАБИНА ОПЕРАТОРА И СИСТЕМА УПРАВЛЕНИЯ

Схема запчастей Komatsu PC750LC-6K-01 - КОНДИЦ. ВОЗДУХА (СОЕД. ШЛАНГОВ)(№K-) КАБИНА ОПЕРАТОРА И СИСТЕМА УПРАВЛЕНИЯ
1
1
2
2
3
3
4
4
5
5
5
5
5
5
6
6
7
7
8
9
9
9
9
10
11
12
12
13
13
14
15
16
16
17
17
18
19
20
21
22
23
24
24
24
25
26
27
27
28
28
29
29
30
30
31
FIT
1:1
100%

Артикул

Название

Примечание

Количество

1

209-979-7781

HOSE¤ 5700MM

|1

20Y-979-3150

O-RING

2

209-979-7790

HOSE¤ 5600MM

|2

20Y-979-3130

O-RING

3

209-979-7531

HOSE¤ 4200MM

|3

20Y-979-3140

O-RING

4

209-979-7741

HOSE¤ 4400MM

|4

20Y-979-3150

O-RING

5

04435-52112

CLIP

6

01010-81230

BOLT

7

01643-31232

WASHER

8

08034-00536

BAND

9

04434-51612

CLIP

10

01010-81225

BOLT

11

01643-31232

WASHER

12

195-06-41930

BRACKET

13

04435-52110

CLIP

14

01010-81020

BOLT

15

01643-31032

WASHER

16

01010-81230

BOLT

17

01643-31232

WASHER

18

209-04-77140

PLATE

19

01010-81220

BOLT

20

01643-31232

WASHER

21

209-979-7980

PLATE

22

01010-81225

BOLT

23

01643-31232

WASHER

24

04435-51912

CLIP

25

01010-81225

BOLT

26

01643-31232

WASHER

27

04434-51912

CLIP

28

04434-51612

CLIP

29

01010-81230

BOLT

30

01643-31232

WASHER

31

01435-00630

BOLT

Выбрано товаров: 35