Запчасти Komatsu PC750LC-6K-01 ПОВОРОТН. КРУГ(№K-K999) ПОВОРОТН. КРУГ И КОМПОНЕНТЫ

Схема запчастей Komatsu PC750LC-6K-01 - ПОВОРОТН. КРУГ(№K-K999) ПОВОРОТН. КРУГ И КОМПОНЕНТЫ
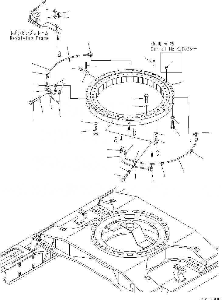
1
2
3
4
5
5
5
5
6
6
6
7
7
8
8
9
9
9
9
9
9
9
9
10
10
11
11
12
12
12A
13
13
13
14
15
16
17
18
19
20
21
FIT
1:1
100%

Артикул

Название

Примечание

Количество

1

209-25-31110

TUBE,L.H.

2

209-25-31120

TUBE,R.H.

3

209-25-31130

TUBE,L.H.

4

209-25-31140

TUBE,R.H.

5

207-70-11740

ELBOW

6

07213-50813

CONNECTOR

7

07020-00900

FITTING

8

07326-10201

ADAPTER

9

08036-00814

CLIP

10

01010-81220

BOLT

11

01643-31232

WASHER

12

209-09-78120

BOLT

12A

209-09-78140

BOLT

13

01643-33080

WASHER

14

209-09-78110

BOLT

15

01643-33080

WASHER

16

170-27-12250

PIN

17

209-25-71100

CIRCLE,SWING

18

PLUG

19

209-25-61220

PIN

20

07049-01012

PLUG

21

07049-03342

PLUG

Выбрано товаров: 22