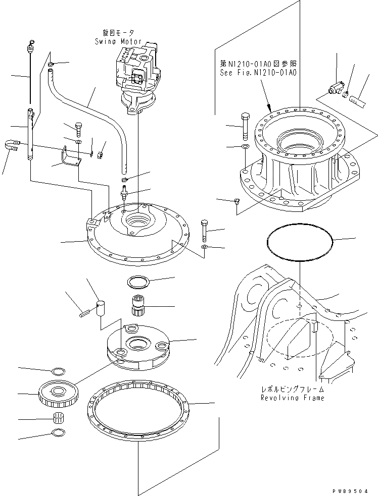
Запчасти Komatsu PC750LC-6K-01 МЕХАНИЗМ ПОВОРОТА (1 НЕСУЩИЙ ЭЛЕМЕНТ И GAUGE СУППОРТ)(№K-K999) ПОВОРОТН. КРУГ И КОМПОНЕНТЫ

Схема запчастей Komatsu PC750LC-6K-01 - МЕХАНИЗМ ПОВОРОТА (1 НЕСУЩИЙ ЭЛЕМЕНТ И GAUGE СУППОРТ)(№K-K999) ПОВОРОТН. КРУГ И КОМПОНЕНТЫ
1
2
3
4
4
5
6
7
8
9
10
11
12
13
14
15
16
17
18
19
20
21
22
23
23
24
25
26
27
28
29
30
FIT
1:1
100%

Артикул

Название

Примечание

Количество

1

209-26-71170

CARRIER

2

209-26-71141

GEAR

3

20Y-26-21290

BEARING

4

20Y-27-21250

WASHER

5

20Y-26-21320

PIN

6

20Y-26-21330

PIN

7

209-26-71150

GEAR

8

209-26-71122

SHAFT

9

20Y-27-11250

SPACER

10

209-26-71221

COVER

11

01010-61685

BOLT

12

01643-31645

WASHER

13

195-03-13540

VALVE

14

07287-02612

HOSE

15

07281-00359

CLAMP

16

07000-15425

O-RING

17

01010-63090

BOLT

18

01643-33080

WASHER

19

07049-03038

PLUG

20

208-26-62180

GAUGE

21

209-26-71420

FILLER

22

07286-01043

HOSE

23

07281-00167

CLAMP

24

6138-55-7610

NIPPLE

25

41D-62-13321

BRACKET

26

07283-32738

CLIP

27

01597-01009

NUT

28

01643-31032

WASHER

29

01010-81030

BOLT

30

01643-31032

WASHER

Выбрано товаров: 0