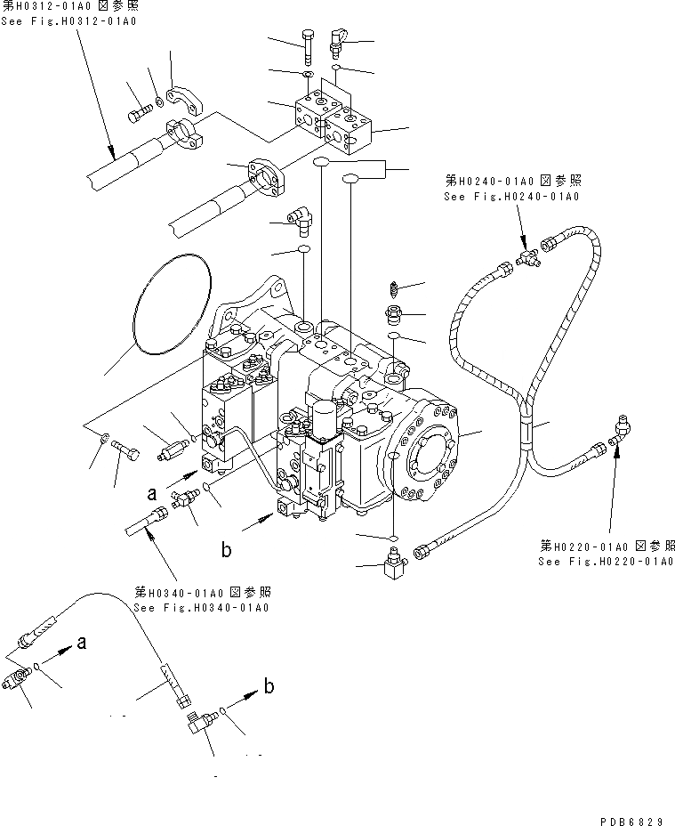
Запчасти Komatsu PC750LC-6K-01 NO. НАСОС (СОЕДИНИТ. ЧАСТИ)(№K-K999) ГИДРАВЛИКА

Схема запчастей Komatsu PC750LC-6K-01 - NO. НАСОС (СОЕДИНИТ. ЧАСТИ)(№K-K999) ГИДРАВЛИКА
1
2
3
4
5
6
7
8
9
10
11
12
13
14
15
16
17
18
19
20
21
22
22
23
24
25
26
27
28
28
29
30
FIT
1:1
100%

Артикул

Название

Примечание

Количество

1

708-2L-00630

PUMP ASS'Y,(SEE FIG.Y1600-01A0)

2

706-87-40150

PLUG

3

20B-27-11210

BLEEDER

4

07002-12434

O-RING

5

207-62-33950

NIPPLE

6

07002-11423

O-RING

7

209-62-57210

TEE

8

07002-12034

O-RING

9

07235-10311

ELBOW

|9

207-62-33920

ELBOW

10

07002-11423

O-RING

11

07235-10628

ELBOW

12

07002-12434

O-RING

13

21T-62-29960

TEE

14

07002-11423

O-RING

15

209-62-78760

HOSE¤ 250MM

16

114-62-23210

ELBOW

17

07002-12434

O-RING

18

209-62-79640

HOSE ASS'Y

19

07000-15230

O-RING

20

01010-61650

BOLT

21

01643-31645

WASHER

22

209-62-79590

BLOCK

23

01010-81075

BOLT

24

01643-31032

WASHER

25

203-62-K1840

POINT

26

07002-11023

O-RING

27

21T-09-11460

O-RING

28

07371-31049

FLANGE

29

07372-21035

BOLT

30

01643-51032

WASHER

Выбрано товаров: 31