Запчасти Komatsu PC750LC-7K ОСНОВН. КОНСТРУКЦИЯ (ЭЛЕКТР.) КАБИНА ОПЕРАТОРА И СИСТЕМА УПРАВЛЕНИЯ

Схема запчастей Komatsu PC750LC-7K - ОСНОВН. КОНСТРУКЦИЯ (ЭЛЕКТР.) КАБИНА ОПЕРАТОРА И СИСТЕМА УПРАВЛЕНИЯ
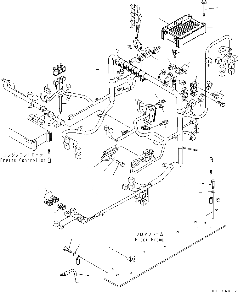
1
2
3
4
5
6
7
8
9
10
10
10
11
11
12
12
12
13
14
15
16
17
18
FIT
1:1
100%

Артикул

Название

Примечание

Количество

1

7835-28-3001

CONTROLLER

2

01435-00880

BOLT

3

7861-94-2000

REGISTER

4

01010-80820

BOLT

5

01643-30823

WASHER

6

209-06-73920

WIRING HARNESS

7

08041-01000

FUSE¤ 10A

|7

08041-02000

FUSE¤ 20A

|7

08041-02500

FUSE¤ 25A

8

01023-60620

SCREW

9

01023-60620

SCREW

10

569-06-61960

RELAY

11

01435-00612

BOLT

12

8233-06-3350

DIODE

13

08028-43030

CABLE

14

01010-81020

BOLT

15

01643-31032

WASHER

16

01010-81020

BOLT

17

01643-31032

WASHER

18

567-99-71240

BOLT

Выбрано товаров: 20