Запчасти Komatsu PC750SE-6-AM МЕХ-М ОТБОРА МОЩНОСТИ (ТРУБЫ) (ФИЛЬТР.)(№-) КОМПОНЕНТЫ ДВИГАТЕЛЯ

Схема запчастей Komatsu PC750SE-6-AM - МЕХ-М ОТБОРА МОЩНОСТИ (ТРУБЫ) (ФИЛЬТР.)(№-) КОМПОНЕНТЫ ДВИГАТЕЛЯ
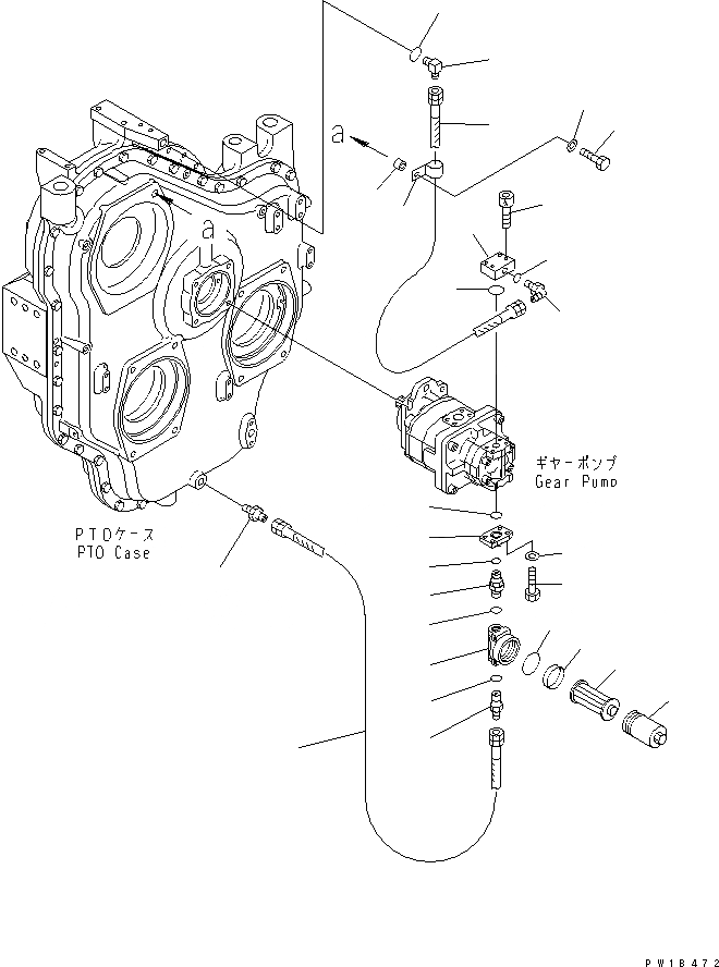
1
2
3
4
5
5
6
7
8
9
10
11
12
13
14
15
16
17
18
19
20
21
22
23
24
25
26
27
FIT
1:1
100%

Артикул

Название

Примечание

Количество

1

07238-10522

CONNECTOR

2

22X-61-16512

HOSE

3

15R-62-18150

NIPPLE

4

07002-21823

O-RING

5

209-38-12460

FILTER ASS'Y

6

209-38-12470

ELEMENT

7

209-38-12480

O-RING

8

209-38-12490

RING

9

21N-38-12320

CONNECTOR

10

07002-22034

O-RING

11

07002-21823

O-RING

12

21N-38-12310

FLANGE

13

07000-E3035

O-RING

14

01010-81030

BOLT

15

01643-31032

WASHER

16

209-64-11620

FLANGE

17

07000-E3030

O-RING

18

01252-70835

BOLT

19

07002-22034

O-RING

20

07235-10315

ELBOW

21

07102-20307

HOSE

22

07002-21423

O-RING

23

07235-10311

ELBOW

24

144-947-3490

SPACER

25

04434-51912

CLIP

26

01010-81245

BOLT

27

01643-31232

WASHER

Выбрано товаров: 27