Запчасти Komatsu PC750SE-6 РАСПРЕДЕЛИТ. КЛАПАН ЛИНИЯ(№-) ГИДРАВЛИКА

Схема запчастей Komatsu PC750SE-6 - РАСПРЕДЕЛИТ. КЛАПАН ЛИНИЯ(№-) ГИДРАВЛИКА
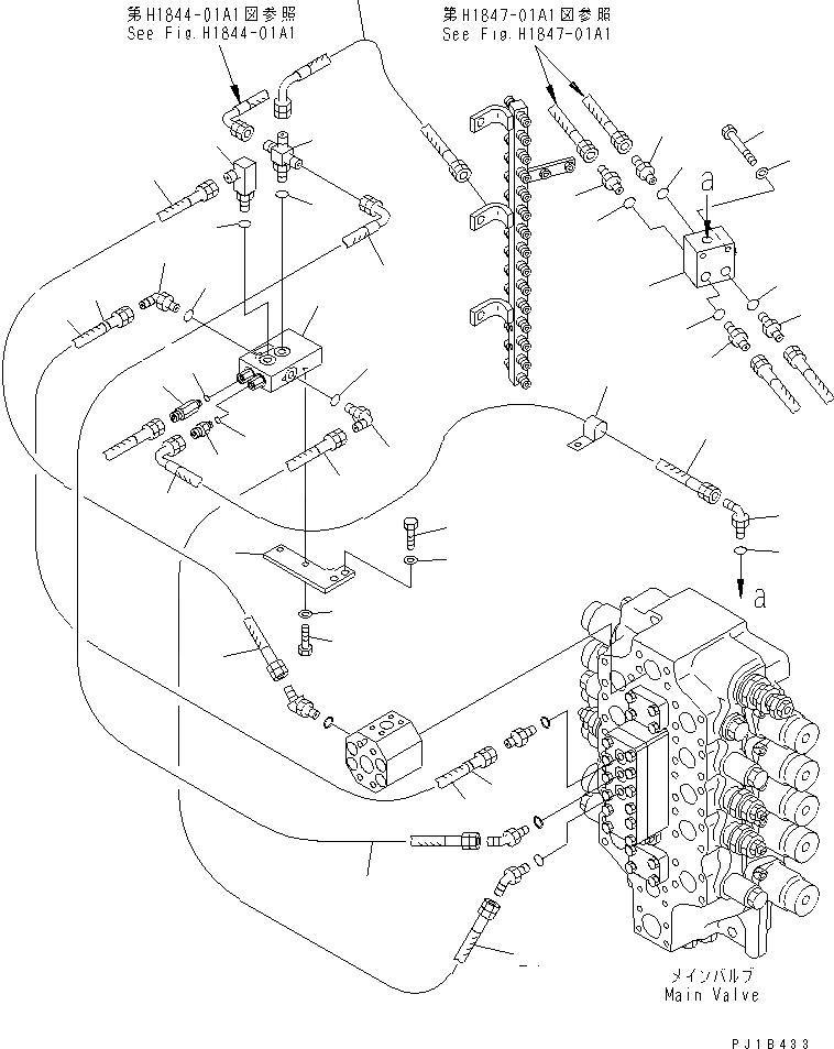
1
2
2
2
2
3
3
3
3
4
5
6
7
8
9
10
11
11
12
12
13
14
15
16
17
18
19
20
21
22
23
24
24
25
25
26
26
27
27
28
29
29
30
30
30
FIT
1:1
100%

Артикул

Название

Примечание

Количество

1

702-19-22000

CHECK VALVE ASS'Y

2

07230-20315

UNION

3

07002-12034

O-RING

4

07235-10315

ELBOW

5

07002-12034

O-RING

6

01010-81085

BOLT

7

01643-31032

WASHER

8

209-60-77260

VALVE ASS'Y

9

207-62-33950

NIPPLE

10

07002-11423

O-RING

11

209-64-12220

ELBOW

12

07002-11423

O-RING

13

209-62-78990

NIPPLE

14

07002-11423

O-RING

15

209-64-11371

BRACKET

16

01010-81030

BOLT

17

01643-31032

WASHER

18

20Y-970-1741

ELBOW

19

07002-11423

O-RING

20

20Y-970-1650

TEE

21

07002-11423

O-RING

22

01010-81225

BOLT

23

01643-31232

WASHER

24

209-64-12230

HOSE ASS'Y, 850MM

25

20Y-62-22830

BAND, WHITE

26

209-64-11951

HOSE ASS'Y, 750MM

27

209-64-11960

HOSE ASS'Y, 850MM

28

04434-51512

CLIP

29

209-64-11970

HOSE ASS'Y, 300MM

30

07185-00309

HOSE

Выбрано товаров: 30