Запчасти Komatsu PC750SE-6 МЕХАНИЗМ ПОВОРОТА В СБОРЕ (1 НЕСУЩИЙ ЭЛЕМЕНТ И GAUGE СУППОРТ) (ПОСТАВЛЯЕМЫЕ ЧАСТИ) ОСНОВН. КОМПОНЕНТЫ И РЕМКОМПЛЕКТЫ

Схема запчастей Komatsu PC750SE-6 - МЕХАНИЗМ ПОВОРОТА В СБОРЕ (1 НЕСУЩИЙ ЭЛЕМЕНТ И GAUGE СУППОРТ) (ПОСТАВЛЯЕМЫЕ ЧАСТИ) ОСНОВН. КОМПОНЕНТЫ И РЕМКОМПЛЕКТЫ
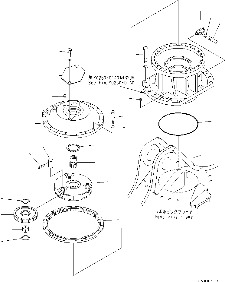
1
2
3
4
4
5
6
7
8
9
10
11
12
13
14
15
16
17
18
19
20
21
22
23
FIT
1:1
100%

Артикул

Название

Примечание

Количество

|$1

209-26-00031

SWING MACHINERY A.

|$2

209-26-00030

SWING MACHINERY A.

1

209-26-71170

CARRIER

2

209-26-71141

GEAR

3

20Y-26-21290

BEARING

4

20Y-27-21250

WASHER

5

20Y-26-21320

PIN

6

20Y-26-21330

PIN

7

209-26-71150

GEAR

8

209-26-71122

SHAFT

9

20Y-27-11250

SPACER

10

209-26-71222

COVER

10

209-26-71221

COVER

11

01010-61685

BOLT

12

01643-31645

WASHER

13

07042-00312

PLUG

14

195-03-13540

VALVE

15

07287-02612

HOSE

16

07281-00359

CLAMP

17

07000-15425

O-RING

17

07000-05425

O-RING

18

01010-83090

BOLT

19

01643-33080

WASHER

20

07049-03038

PLUG

21

207-26-51350

PLATE

22

01010-82450

BOLT

23

01643-32460

WASHER

Выбрано товаров: 0