Запчасти Komatsu PC750SE-6 КОВШ КОНТРОЛЬНЫЙ КЛАПАН( АКТУАТОР)(№-) ГИДРАВЛИКА

Схема запчастей Komatsu PC750SE-6 - КОВШ КОНТРОЛЬНЫЙ КЛАПАН( АКТУАТОР)(№-) ГИДРАВЛИКА
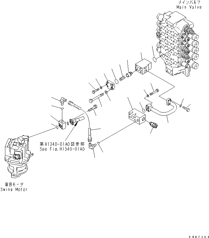
1
2
3
4
5
6
7
8
9
10
11
12
13
14
15
15
16
17
18
18
19
19
20
21
22
23
FIT
1:1
100%

Артикул

Название

Примечание

Количество

|1

209-60-71700

VALVE ASS'Y

1

01010-80845

BOLT

2

01643-50823

WASHER

3

07750-04595

SPRING

4

209-60-52720

POPPET

5

209-60-71710

BLOCK

6

209-60-71720

COVER

7

21T-09-11510

O-RING

8

21T-09-11510

O-RING

9

01011-81490

BOLT

10

01643-31445

WASHER

11

209-62-76890

TUBE

12

21T-09-11470

O-RING

13

07372-21060

BOLT

14

07372-21040

BOLT

15

01643-51032

WASHER

16

209-62-76920

BLOCK

17

709-90-71100

VALVE ASS'Y

18

07235-10628

ELBOW

19

07002-12434

O-RING

20

07108-20605

HOSE

21

209-62-76910

TEE

22

07000-13032

O-RING

23

195-78-63210

BOLT

Выбрано товаров: 24