Запчасти Komatsu PC750SE-6 ОСНОВН. КОНСТРУКЦИЯ (РАБОЧАЯ ЛИНИЯ PPC) (ШЛАНГИ¤ ПРАВ.)(№9-999) КАБИНА ОПЕРАТОРА И СИСТЕМА УПРАВЛЕНИЯ

Схема запчастей Komatsu PC750SE-6 - ОСНОВН. КОНСТРУКЦИЯ (РАБОЧАЯ ЛИНИЯ PPC) (ШЛАНГИ¤ ПРАВ.)(№9-999) КАБИНА ОПЕРАТОРА И СИСТЕМА УПРАВЛЕНИЯ
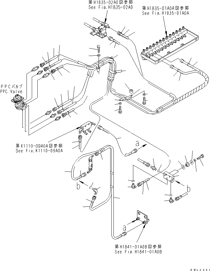
1
2
2
3
3
4
4
5
5
6
6
6
6
7
7
7
7
8
8
9
9
9
9
10
10
11
11
12
13
14
15
16
17
18
19
19
20
21
22
22
23
23
24
24
25
26
27
28
29
30
31
31
32
32
33
34
34
35
36
FIT
1:1
100%

Артикул

Название

Примечание

Количество

1

08034-00536

BAND

2

207-62-62880

HOSE¤ 1600MM

3

209-62-77360

HOSE¤ 1000MM

4

209-62-78581

HOSE¤ 2300MM

5

209-62-78591

HOSE¤ 2400MM

6

209-62-78611

HOSE¤ 3200MM

7

20Y-62-22790

BAND¤ RED

8

20Y-62-22820

BAND¤ BLUE

9

20Y-62-22830

BAND¤ WHITE

10

20Y-62-22840

BAND¤ BLACK

11

20Y-62-22860

BAND¤ BROWN

12

04435-51510

CLIP

13

195-33-11220

SPACER

14

01010-81040

BOLT

15

01643-31032

WASHER

16

04435-51510

CLIP

17

01010-81016

BOLT

18

01643-31032

WASHER

19

203-62-58480

CLIP

20

01010-80825

BOLT

21

01643-30823

WASHER

22

20Y-62-22790

BAND¤ RED

23

209-62-77260

HOSE¤ 1300MM

24

209-62-75580

HOSE¤ 900MM

25

07102-20406

HOSE

26

209-62-77181

BLOCK

27

07230-20315

UNION

28

07002-02034

O-RING

29

07235-10422

ELBOW

30

07002-02034

O-RING

31

07235-10315

ELBOW

32

07002-02034

O-RING

33

195-03-41380

CUSHION

34

178-60-12250

COLLAR

35

01010-81050

BOLT

36

01643-31032

WASHER

Выбрано товаров: 36