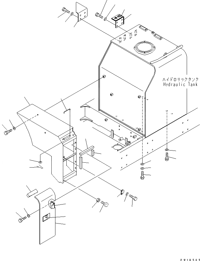
Запчасти Komatsu PC750SE-6K-01 ГИДР. БАК. (ПЕРЕГОРОДКА.)(№K-) ГИДРАВЛИКА

Схема запчастей Komatsu PC750SE-6K-01 - ГИДР. БАК. (ПЕРЕГОРОДКА.)(№K-) ГИДРАВЛИКА
1
2
3
4
5
6
7
8
9
10
11
12
13
14
15
16
17
18
19
20
21
22
23
24
25
26
27
28
29
30
31
32
FIT
1:1
100%

Артикул

Название

Примечание

Количество

1

21M-54-11262

COVER

2

198-54-41982

LOCK ASS'Y (WELDED)

3

21M-54-11220

HINGE (WELDED)

4

21M-54-13780

SHEET

5

01010-81230

BOLT

6

01643-31232

WASHER

7

209-54-77611

CASE

8

21M-54-11460

SHEET

9

21M-54-11470

SHEET

10

21M-54-11480

SHEET

11

20Y-54-11611

STOPPER

12

01580-11008

NUT

13

21M-54-11771

PLATE

14

01010-81230

BOLT

15

01643-31232

WASHER

16

175-43-41261

ROD

17

01643-30623

WASHER

18

04050-11612

PIN,COTTER

19

01010-81230

BOLT

20

01643-31232

WASHER

21

209-53-11240

BRACKET

22

209-53-11250

SHEET

23

01010-81230

BOLT

24

01643-31232

WASHER

25

209-53-11511

BRACKET

26

01010-81225

BOLT

27

01643-31232

WASHER

28

01010-82050

BOLT

29

01643-32060

WASHER

30

21T-01-11130

WASHER

31

01010-82070

BOLT

32

01643-32060

WASHER

Выбрано товаров: 0