Запчасти Komatsu PC750SE-6K-01 ОСНОВН. КЛАПАН (4-Х СЕКЦИОНН. КЛАПАН) (СОЕДИНИТ. ЧАСТИ)(№K-) ГИДРАВЛИКА

Схема запчастей Komatsu PC750SE-6K-01 - ОСНОВН. КЛАПАН (4-Х СЕКЦИОНН. КЛАПАН) (СОЕДИНИТ. ЧАСТИ)(№K-) ГИДРАВЛИКА
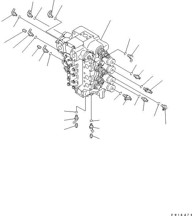
1
2
3
4
5
6
7
8
9
10
11
12
13
14
15
16
17
18
19
20
21
22
23
24
25
26
26
27
27
28
28
FIT
1:1
100%

Артикул

Название

Примечание

Количество

1

709-14-93900

CONTROL VALVE,(SEE FIG.Y1660-21A1)

2

07235-10315

ELBOW

3

07002-12034

O-RING

4

07235-10315

ELBOW

5

07002-12034

O-RING

6

209-62-78940

ELBOW

7

07042-30108

PLUG

8

07002-12034

O-RING

9

209-62-78940

ELBOW

10

07042-30108

PLUG

11

07002-12034

O-RING

12

07230-20315

UNION

13

07002-12034

O-RING

14

209-62-57210

TEE

15

07002-12034

O-RING

16

07230-20315

UNION

17

07002-12034

O-RING

18

209-62-57210

TEE

19

07002-12034

O-RING

20

07235-10315

ELBOW

21

07002-12034

O-RING

22

07235-10315

ELBOW

23

07002-12034

O-RING

24

07235-10311

ELBOW

25

07002-11423

O-RING

26

209-62-67470

ELBOW

27

07042-30108

PLUG

28

07002-11423

O-RING

Выбрано товаров: 28