Запчасти Komatsu PC750SE-6K-J РУКОЯТЬ (.9M) (СМАЗКА) (ДЛЯ ЭКСКАВАТ.)(№-8) РАБОЧЕЕ ОБОРУДОВАНИЕ

Схема запчастей Komatsu PC750SE-6K-J - РУКОЯТЬ (.9M) (СМАЗКА) (ДЛЯ ЭКСКАВАТ.)(№-8) РАБОЧЕЕ ОБОРУДОВАНИЕ
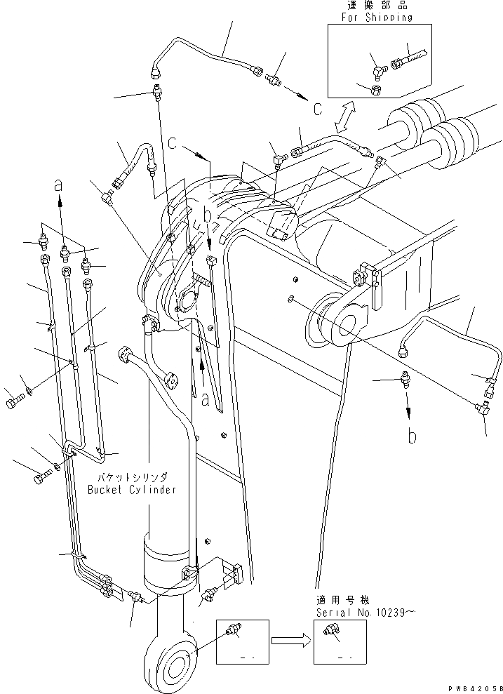
1
2
3
4
5
6
7
7
7
7
8
9
10
11
11
12
12
13
14
15
16
17
17
18
19
20
20
20
20
20
21
22
23
23
24
FIT
1:1
100%

Артикул

Название

Примечание

Количество

1

07020-00900

FITTING,GREASE

2

07214-51013

CONNECTOR

3

209-70-75761

TUBE

4

209-70-75771

TUBE

5

07217-51013

ELBOW

6

209-70-75721

TUBE

7

07214-51013

CONNECTOR

8

209-70-75651

TUBE

9

07214-51013

CONNECTOR

10

20G-68-12930

ELBOW

11

421-70-13132

HOSE

12

205-70-51380

ELBOW

13

209-70-75621

TUBE

14

07214-51013

CONNECTOR

15

205-70-51370

HOSE

16

205-70-51380

ELBOW

17

203-06-53730

CLIP

18

01010-81020

BOLT

19

01643-31032

WASHER

20

04434-51010

CLIP

21

01010-81020

BOLT

22

01643-31032

WASHER

23

07020-00900

FITTING

|23

07020-00000

FITTING

24

209-98-51110

PLUG

Выбрано товаров: 25