Запчасти Komatsu PC750SE-6K-J МЕХ-М ОТБОРА МОЩНОСТИ (ТРУБЫ) (СМАЗКА) (/)(№9-) КОМПОНЕНТЫ ДВИГАТЕЛЯ

Схема запчастей Komatsu PC750SE-6K-J - МЕХ-М ОТБОРА МОЩНОСТИ (ТРУБЫ) (СМАЗКА) (/)(№9-) КОМПОНЕНТЫ ДВИГАТЕЛЯ
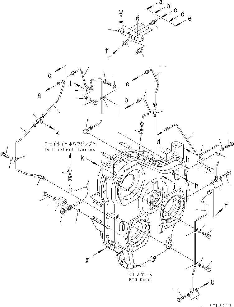
1
2
2
3
4
5
6
6
7
7
8
8
9
10
11
12
12
13
13
14
14
15
16
17
18
19
20
21
22
23
24
25
26
26
27
27
28
28
29
30
31
32
33
34
35
36
37
38
39
FIT
1:1
100%

Артикул

Название

Примечание

Количество

1

209-38-73321

BLOCK

2

07213-50710

CONNECTOR

3

07049-01012

PLUG

4

07042-70108

PLUG

5

209-38-73220

TUBE

6

21T-38-12270

CLIP

7

01010-81020

BOLT

8

01643-31032

WASHER

9

209-38-51440

JOINT

10

07005-01012

GASKET

11

209-38-73350

TUBE

12

21T-38-12270

CLIP

13

01010-81020

BOLT

14

01643-31032

WASHER

15

209-38-51440

JOINT

16

07005-01012

GASKET

17

07213-50710

CONNECTOR

18

209-38-73330

TUBE

19

209-38-73260

TUBE

20

21T-38-12270

CLIP

21

01010-81020

BOLT

22

01643-31032

WASHER

23

176-43-41350

ELBOW

24

209-38-73240

TUBE

25

176-43-41350

ELBOW

26

21T-38-12270

CLIP

27

01010-81020

BOLT

28

01643-31032

WASHER

29

209-38-12290

TEE

30

209-38-73250

TUBE

31

209-38-73340

TUBE

32

07213-50710

CONNECTOR

33

15R-911-3190

NIPPLE

34

07102-20405

HOSE

35

195-04-12280

ELBOW

36

21N-38-12351

ELBOW

37

01010-81065

BOLT

38

01643-31032

WASHER

39

07000-E3022

O-RING

Выбрано товаров: 39