Качественные детали и логистика
Оригинальные и аналоговые запчасти с доставкой по России, Казахстану и Беларуси
©2022 PartSell ООО "Система" ИНН 2463123282 ОГРН 1212400004838
Центральный офис: г. Красноярск, Академика Киренского, д.87, пом.4
Телефон: 8 (800) 777-65-74 Email: zakaz@partsell.ru
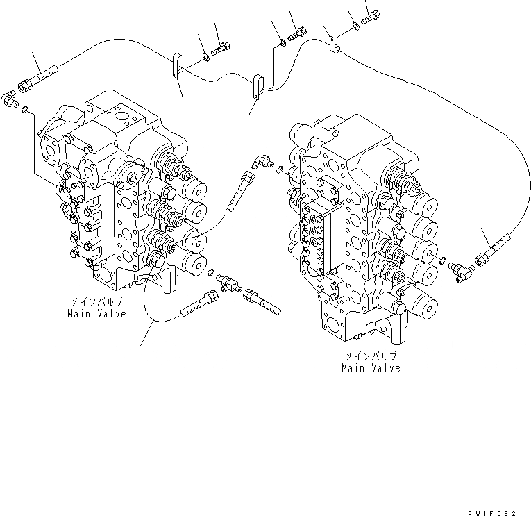
ЛИНИЯ PPC РУКОЯТИ (ДЛЯ ПОГРУЗ.)(№K-)
№
Артикул
Название
Примечание
Количество
1
07184-00318
HOSE¤ 1800MM
2
07184-00304
HOSE
3
04434-51512
CLIP
4
04435-51512
5
01010-81225
BOLT
6
01643-31232
WASHER
Выбрано товаров: 0