Запчасти Komatsu PC750SE-6K-LS PPC ПРЯМАЯ ЛОПАТА ЛИНИЯ (ДЛЯ ПОГРУЗ.)(№K-) ГИДРАВЛИКА

Схема запчастей Komatsu PC750SE-6K-LS - PPC ПРЯМАЯ ЛОПАТА ЛИНИЯ (ДЛЯ ПОГРУЗ.)(№K-) ГИДРАВЛИКА
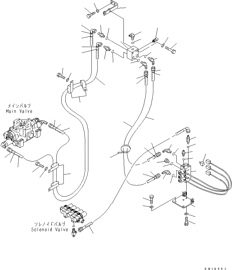
1
2
3
4
5
6
6
7
7
8
9
10
11
12
13
14
15
16
17
17
18
18
19
19
20
20
21
22
23
24
25
26
27
28
29
30
30
31
31
32
33
33
34
34
35
36
36
37
37
38
38
39
39
39
39
40
40
41
42
43
44
45
46
47
FIT
1:1
100%

Артикул

Название

Примечание

Количество

1

209-60-77410

VALVE ASS'Y,(SEE FIG.Y1862-01A0)

2

07230-20315

UNION

3

07002-12034

O-RING

4

207-62-33950

NIPPLE

5

07002-11423

O-RING

6

07235-10311

ELBOW

7

07002-11423

O-RING

8

07040-11409

PLUG

9

07002-11423

O-RING

10

209-60-77420

BRACKET

11

01010-81030

BOLT

12

01643-31032

WASHER

13

01010-81230

BOLT

14

01643-31232

WASHER

15

209-06-77690

CONNECTOR

16

702-19-22000

CHECK VALVE ASS'Y,(SEE FIG.Y1674-01A0)

17

07236-10315

ELBOW

18

07002-12034

O-RING

19

07230-20315

UNION

20

07002-12034

O-RING

21

21J-62-11950

ELBOW

22

07002-12034

O-RING

23

206-06-61130

SWITCH

24

209-62-76790

BRACKET

25

01010-81085

BOLT

26

01643-31032

WASHER

27

01010-81230

BOLT

28

01643-31232

WASHER

29

07184-00303

HOSE

30

20Y-62-22830

BAND¤ WHITE

31

20Y-62-22850

BAND¤ GREEN

32

07184-00304

HOSE

33

20Y-62-22810

BAND¤ YELLOW

34

20Y-62-22830

BAND¤ WHITE

35

08034-20536

BAND

36

07185-00326

HOSE

37

07185-00327

HOSE

38

20Y-62-22810

BAND¤ YELLOW

39

20Y-62-22830

BAND¤ WHITE

40

20Y-62-22850

BAND¤ GREEN

41

04435-51812

CLIP

42

01010-81225

BOLT

43

01643-31232

WASHER

44

04435-51812

CLIP

45

01010-81230

BOLT

46

01643-31232

WASHER

47

07185-00305

HOSE

Выбрано товаров: 47