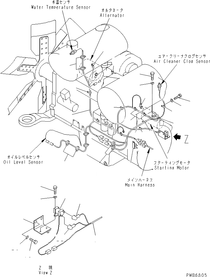
Запчасти Komatsu PC750SE-6K ДВИГАТЕЛЬ ЭЛЕКТРОПРОВОДКА(№K-K999) КОМПОНЕНТЫ ДВИГАТЕЛЯ

Схема запчастей Komatsu PC750SE-6K - ДВИГАТЕЛЬ ЭЛЕКТРОПРОВОДКА(№K-K999) КОМПОНЕНТЫ ДВИГАТЕЛЯ
1
1
2
3
3
4
5
6
7
8
9
10
10
10
11
12
13
14
15
16
17
18
19
20
21
22
23
24
25
FIT
1:1
100%

Артикул

Название

Примечание

Количество

1

209-06-K1130

WIRING HARNESS

|1

209-06-78211

WIRING HARNESS

2

209-06-78230

BRACKET

3

04434-51610

CLIP

4

02010-70619

BOLT

5

01643-31032

WASHER

6

04434-50810

CLIP

7

01010-81020

BOLT

8

01643-31032

WASHER

9

04434-51610

CLIP

10

04434-51810

CLIP

11

08038-02027

CAP

12

08038-00519

CAP

13

600-815-2730

CABLE

14

08034-00519

BAND

15

203-06-59320

SWITCH

16

01010-80816

BOLT

17

01643-30823

WASHER

18

209-06-78220

BRACKET

19

02010-71032

BOLT

20

01643-31645

WASHER

21

08038-02027

CAP

22

08038-00519

CAP

23

08038-00519

CAP

24

08034-00519

BAND

25

08034-00519

BAND

Выбрано товаров: 26