Запчасти Komatsu PC750SE-6K ПРАВ. КРЫШКА(КАБИНА)(№K-K999) ЧАСТИ КОРПУСА

Схема запчастей Komatsu PC750SE-6K - ПРАВ. КРЫШКА(КАБИНА)(№K-K999) ЧАСТИ КОРПУСА
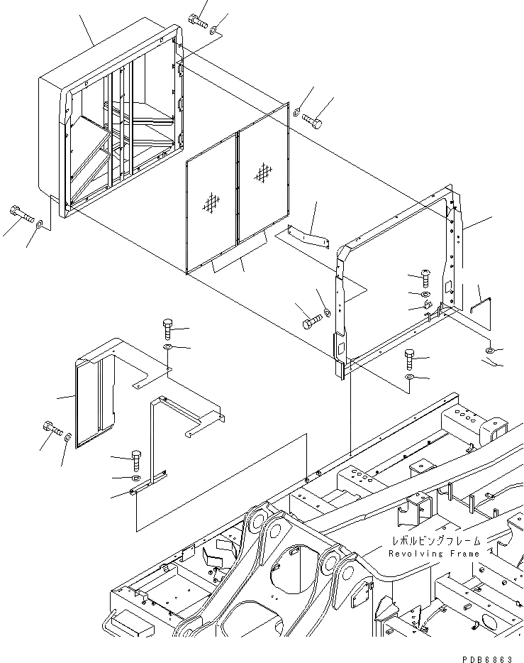
1
2
3
4
5
6
7
7
8
9
10
11
12
13
14
15
16
17
18
19
20
21
21
22
23
24
25
26
FIT
1:1
100%

Артикул

Название

Примечание

Количество

1

209-54-K1660

FRAME

|1

209-54-78570

FRAME

2

01010-81230

BOLT

3

01643-31232

WASHER

4

209-54-K1780

DUCT

|4

209-54-79150

DUCT

5

01010-81230

BOLT

6

01010-81280

BOLT

7

01643-31232

WASHER

8

209-03-78430

NET

9

01010-80816

BOLT

10

01643-30823

WASHER

11

20E-54-K2230

BAR

12

01641-21016

WASHER

13

04050-13018

PIN

14

20B-54-12210

SPRING

15

01220-40408

SCREW

16

01641-20405

WASHER

17

209-54-73325

FRAME

|17

209-54-73322

FRAME

18

01010-81230

BOLT

19

01643-31232

WASHER

20

209-54-K1730

COVER

|20

209-54-78760

COVER

21

01010-81230

BOLT

22

01643-31232

WASHER

23

175-54-34170

WASHER

24

209-54-73590

PLATE

25

01010-81230

BOLT

26

01643-31232

WASHER

Выбрано товаров: 0