Запчасти Komatsu PC750SE-6K ДВИГАТЕЛЬ (ПРИВОД ВЕНТИЛЯТОРА)(№K-K999) КОМПОНЕНТЫ ДВИГАТЕЛЯ

Схема запчастей Komatsu PC750SE-6K - ДВИГАТЕЛЬ (ПРИВОД ВЕНТИЛЯТОРА)(№K-K999) КОМПОНЕНТЫ ДВИГАТЕЛЯ
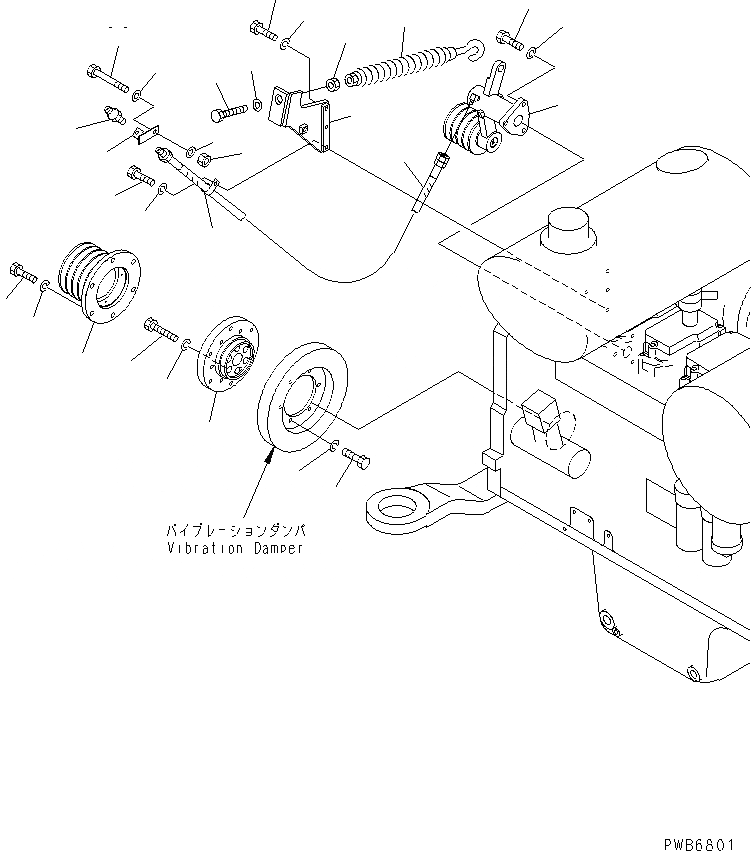
1
2
3
4
5
6
7
8
9
10
11
12
13
13
14
14
15
16
17
18
19
20
21
22
23
24
24
25
FIT
1:1
100%

Артикул

Название

Примечание

Количество

1

209-01-78400

TENSION PULLEY ASS'Y

2

02010-70738

BOLT

3

01602-21134

WASHER

4

209-01-78420

SPACER

5

02031-71240

BOLT

6

01602-21957

WASHER

7

02030-70830

BOLT

8

01602-21338

WASHER

9

209-01-78410

PULLEY

10

02030-70844

BOLT

11

01602-21338

WASHER

12

209-01-78460

BRACKET

13

02010-70644

BOLT

14

01602-20929

WASHER

15

6212-61-3320

SPRING

16

6212-61-3980

BOLT

17

6124-61-3830

WASHER

18

01580-01210

NUT

19

209-01-78470

BRACKET

20

209-72-16550

HOSE

21

04434-51210

CLIP

22

205-70-51390

NIPPLE

23

01011-81030

BOLT

24

01643-31032

WASHER

25

01580-01008

NUT

Выбрано товаров: 25