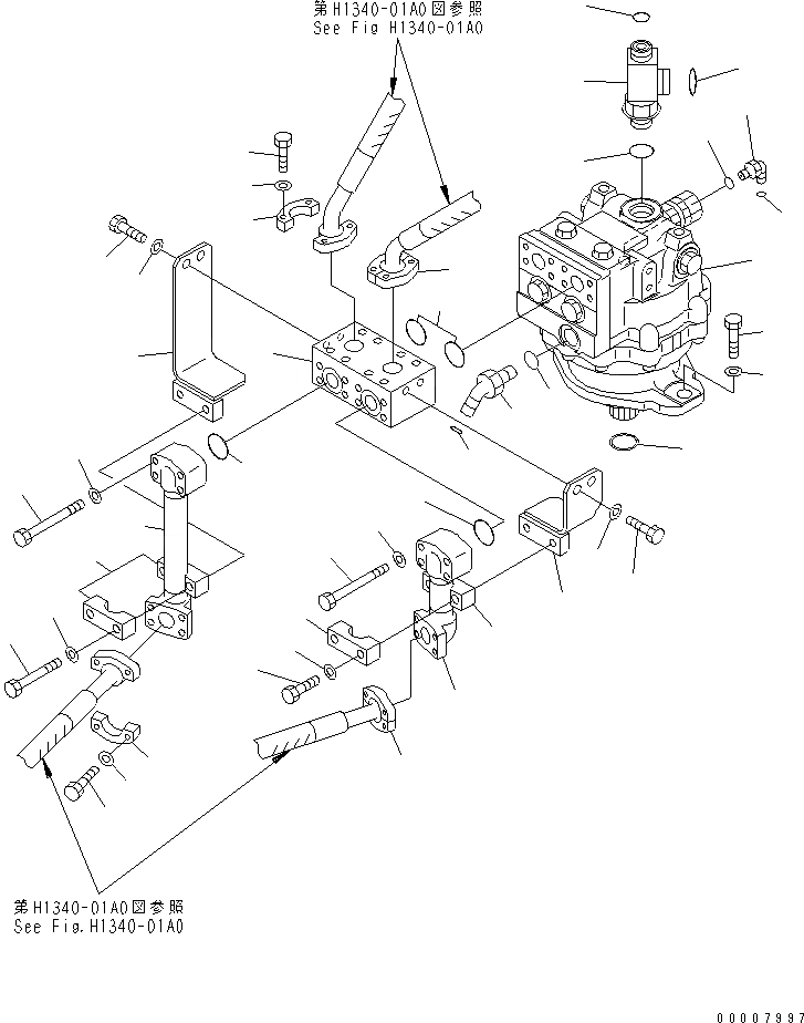
Запчасти Komatsu PC750SE-7-M1 МОТОР ПОВОРОТА (ЗАДН.) (С СЕРВИСНЫМ КЛАПАНОМ) ПОВОРОТН. КРУГ И КОМПОНЕНТЫ

Схема запчастей Komatsu PC750SE-7-M1 - МОТОР ПОВОРОТА (ЗАДН.) (С СЕРВИСНЫМ КЛАПАНОМ) ПОВОРОТН. КРУГ И КОМПОНЕНТЫ
1
2
3
4
5
6
7
8
9
10
11
12
13
14
15
16
17
18
19
20
21
22
23
24
25
26
27
28
29
30
31
32
32
33
34
35
35
36
37
38
38
39
40
41
42
FIT
1:1
100%

Артикул

Название

Примечание

Количество

1

706-7G-01030

MOTOR ASS'Y

2

22U-26-21280

RING

3

209-64-17460

TEE

4

07002-13334

O-RING

5

02896-11018

O-RING

6

207-62-64740

O-RING

7

02783-10522

ELBOW

8

07002-12434

O-RING

9

02896-11015

O-RING

10

21W-62-42490

ELBOW

11

07002-11423

O-RING

12

02896-11009

O-RING

13

209-60-76130

BLOCK

14

21T-09-11470

O-RING

15

209-62-73440

TUBE

16

21T-09-11470

O-RING

17

01011-81050

BOLT

18

01643-51032

WASHER

19

209-62-73430

TUBE

20

21T-09-11470

O-RING

21

01011-81050

BOLT

22

01643-51032

WASHER

23

209-62-73460

BRACKET

24

01010-81225

BOLT

25

01643-31232

WASHER

26

205-62-54460

CLAMP

27

01010-81275

BOLT

28

01643-31232

WASHER

29

209-62-73451

BRACKET

30

01010-81225

BOLT

31

01643-31232

WASHER

32

205-62-54460

CLAMP

33

01010-81275

BOLT

34

01643-31232

WASHER

35

07371-31049

FLANGE

36

07372-21035

BOLT

37

01643-51032

WASHER

38

07371-51260

FLANGE

39

01010-81245

BOLT

40

01643-31232

WASHER

41

01010-82055

BOLT

42

01643-32060

WASHER

Выбрано товаров: 42