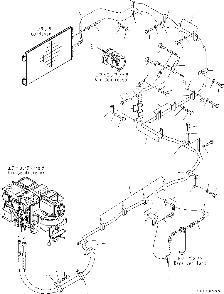
Запчасти Komatsu PC750SE-7 КОНДИЦ. ВОЗДУХА (СОЕД. ШЛАНГОВ) КАБИНА ОПЕРАТОРА И СИСТЕМА УПРАВЛЕНИЯ

Схема запчастей Komatsu PC750SE-7 - КОНДИЦ. ВОЗДУХА (СОЕД. ШЛАНГОВ) КАБИНА ОПЕРАТОРА И СИСТЕМА УПРАВЛЕНИЯ
1
1
2
2
3
3
3
3
3
3
4
4
5
5
6
6
6
6
7
8
9
9
10
10
11
12
13
13
14
14
15
16
17
18
19
20
21
21
21
21
22
22
22
23
23
23
24
25
26
27
27
28
28
29
30
31
32
33
34
35
FIT
1:1
100%

Артикул

Название

Примечание

Количество

1

209-979-7781

HOSE, 5700MM

1

20Y-979-3150

O-RING

2

209-979-7680

HOSE

2

20Y-979-3140

O-RING

3

04435-52112

CLIP

4

01010-81225

BOLT

5

01643-31232

WASHER

6

04434-51612

CLIP

7

01010-81225

BOLT

8

01643-31232

WASHER

9

195-06-41930

BRACKET

10

04435-52110

CLIP

11

01010-81020

BOLT

12

01643-31032

WASHER

13

01010-81230

BOLT

14

01643-31232

WASHER

15

209-04-77140

PLATE

16

01010-81220

BOLT

17

01643-31232

WASHER

18

195-49-37150

BRACKET

19

01010-81225

BOLT

20

01643-31232

WASHER

21

04435-51912

CLIP

22

01010-81225

BOLT

23

01643-31232

WASHER

24

195-33-11220

SPACER

25

01010-81250

BOLT

26

01643-31232

WASHER

27

04434-51912

CLIP

28

04434-51612

CLIP

29

01010-81230

BOLT

30

01643-31232

WASHER

31

01010-81225

BOLT

31

01010-81230

BOLT

32

01643-31232

WASHER

33

08034-20536

BAND

34

01435-00630

BOLT

35

01435-00625

BOLT

Выбрано товаров: 38