Запчасти Komatsu PC750SE-7 КОНДИЦИОНЕР (ЗАДН. ВОЗДУХОВОД) КАБИНА ОПЕРАТОРА И СИСТЕМА УПРАВЛЕНИЯ

Схема запчастей Komatsu PC750SE-7 - КОНДИЦИОНЕР (ЗАДН. ВОЗДУХОВОД) КАБИНА ОПЕРАТОРА И СИСТЕМА УПРАВЛЕНИЯ
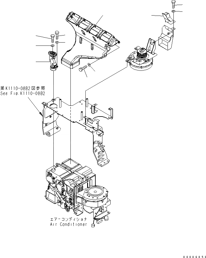
1
2
3
4
5
6
7
8
9
10
11
FIT
1:1
100%

Артикул

Название

Примечание

Количество

1

20Y-979-6791

DUCT

2

01010-80820

BOLT

3

01643-30823

WASHER

4

20Y-979-6430

DUCT

5

01010-80820

BOLT

6

01643-30823

WASHER

7

01016-50845

BOLT

8

01643-30823

WASHER

9

20Y-979-6751

DUCT

10

01010-80612

BOLT

11

01643-30623

WASHER

Выбрано товаров: 11