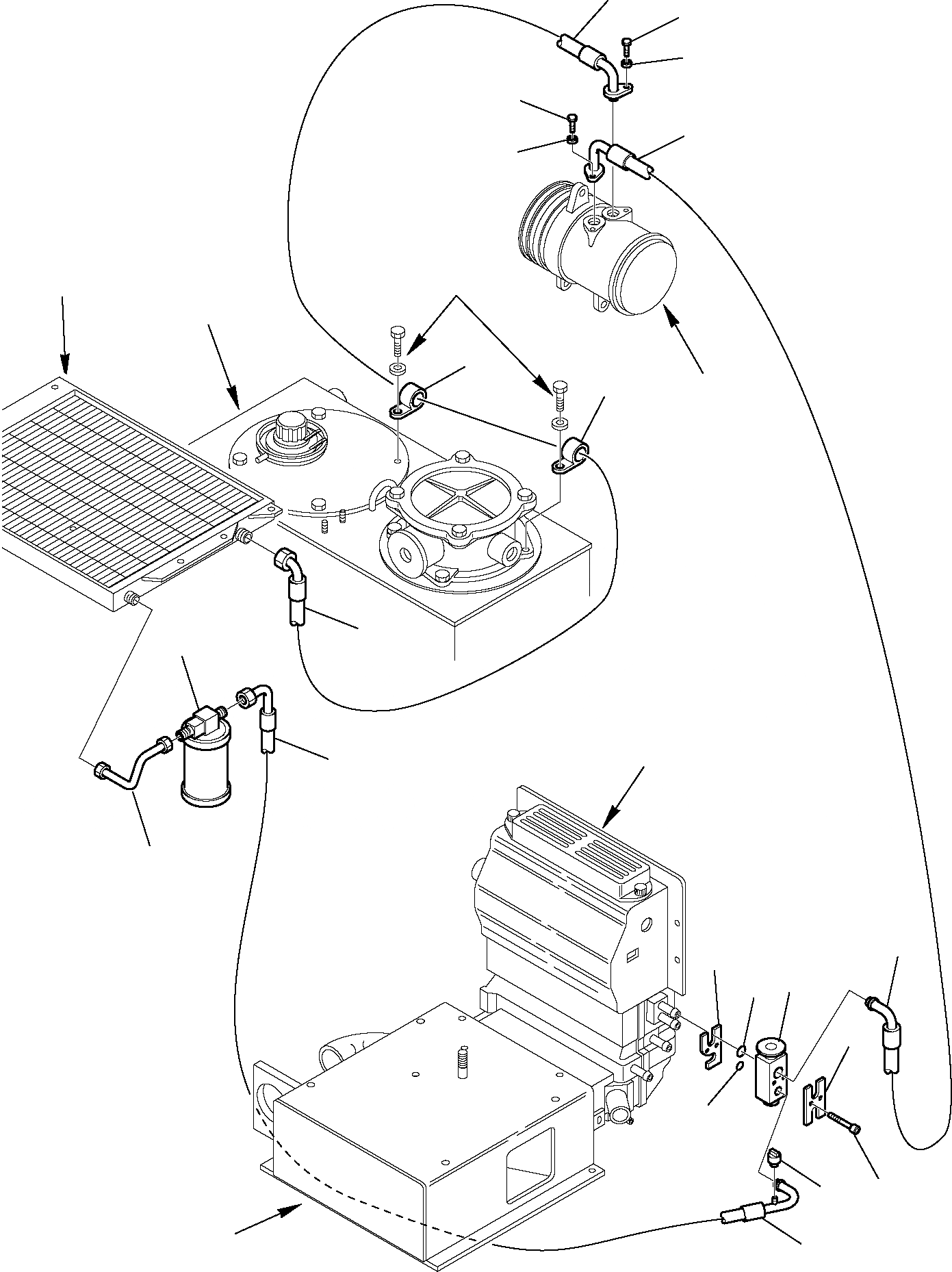
Запчасти Komatsu PC75R-2 PC75R-2HD КОНДИЦ. СИСТЕМА (/7) ЧАСТИ КОРПУСА И КАБИНА

Схема запчастей Komatsu PC75R-2 PC75R-2HD - КОНДИЦ. СИСТЕМА (/7) ЧАСТИ КОРПУСА И КАБИНА
14
A
12
B
13
C
12
D
11
E
13
E
15
15
14
2
3
1
11
8
5
6
9
7
4
10
3
FIT
1:1
100%

Артикул

Название

Примечание

Количество

\0

22E-979-1002

KIT, AIR CONDITIONING

1

22E-979-1270

PIPE

\1

22E-979-1501

CONDENSOR, ASSY.

2

22E-979-1550

FILTER

3

22E-979-1280

HOSE

4

22E-979-1290

PRESSURE SWITCH

5

22E-979-1220

EXPANSION VALVE

6

700-22-R2951

O-RING

7

22E-979-1260

O-RING

8

22E-979-1230

FLANGE

9

22E-979-1240

FLANGE

10

01252-40535

SCREW

11

22E-979-1310

HOSE

12

01010-50616

BOLT

13

01643-30623

WASHER

14

22E-979-1320

HOSE

15

21D-09-81700

COLLAR

Выбрано товаров: 17