Запчасти Komatsu PC75R-2 СИСТЕМА ПОДОГРЕВА (/) ЧАСТИ КОРПУСА И КАБИНА

Схема запчастей Komatsu PC75R-2 - СИСТЕМА ПОДОГРЕВА (/) ЧАСТИ КОРПУСА И КАБИНА
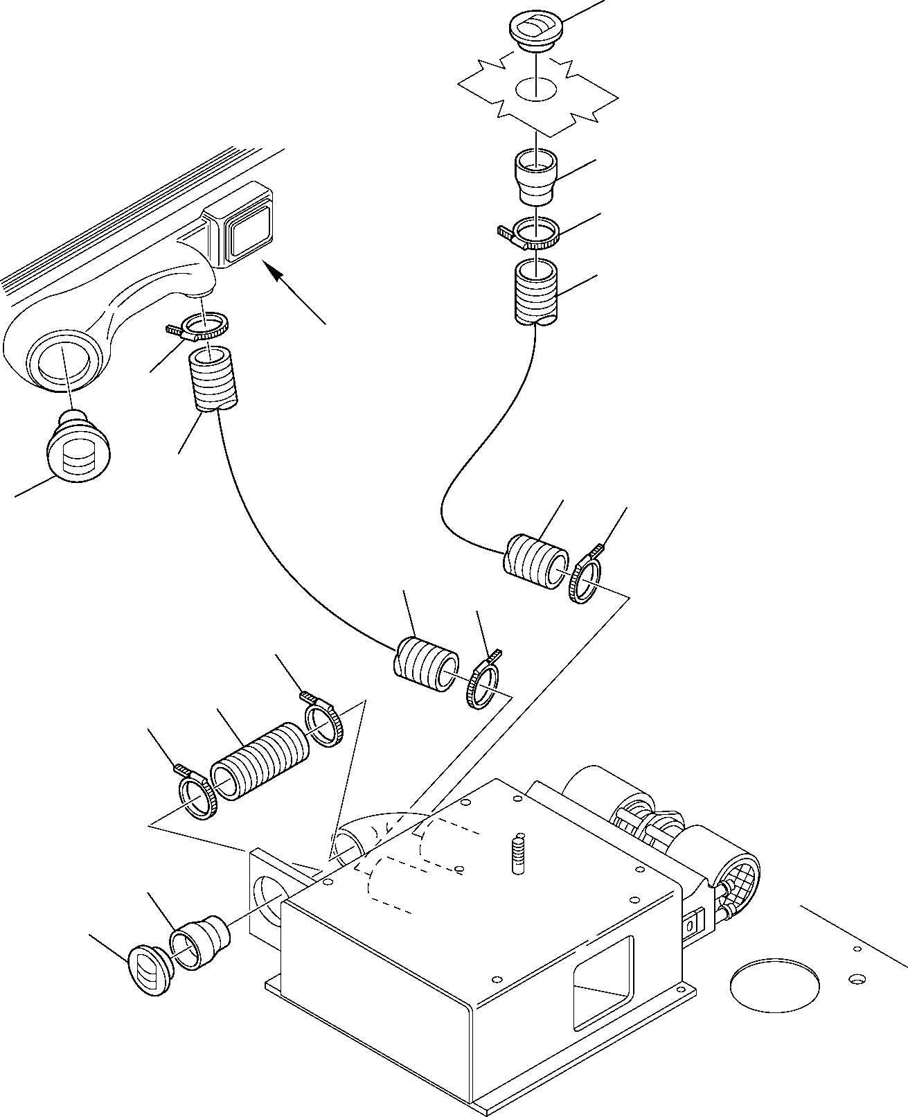
1
A
8
4
5
6
5
5
4
7
5
4
4
3
4
2
1
FIT
1:1
100%

Артикул

Название

Примечание

Количество

1

22E-977-1140

DIFFUSER

2

22E-977-1150

REDUCTION

3

22E-977-1120

HOSE

4

21D-09-81460

HOSE-CLAMP

5

226-977-1210

HOSE

6

21D-06-12360

HOSE-CLAMP

7

21D-977-1110

STUB

8

226-977-1220

REDUCTION

Выбрано товаров: 8