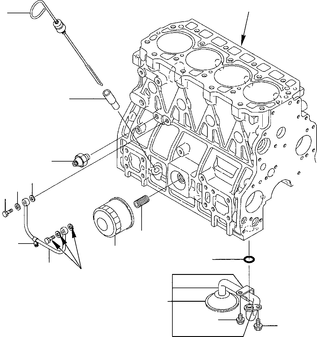
Запчасти Komatsu PC75R-2 USA СМАЗЫВ. НАСОС ДВИГАТЕЛЬ

Схема запчастей Komatsu PC75R-2 USA - СМАЗЫВ. НАСОС ДВИГАТЕЛЬ
A
B
1
2
13
16
16
17
4
15
3
5
14
6
11
12
FIT
1:1
100%

Артикул

Название

Примечание

Количество

\0

22E-01-11000

MOTOR, ASSY.

1

YM129900-34800

GAUGE, OIL LEVEL

2

YM121520-34810

GUIDE

3

YM129150-35151

FILTER

4

YM119000-35140

STUD

5

YM129900-32030

O-RING

6

YM129900-35000

HOSE

11

YM26106-080122

BOLT PLATED

12

YM26106-080162

BOLT

13

YM121252-39450

OIL PRESSURE TRANSMITTER

14

YM129900-39350

PIPE

15

YM23297-060081

RETAINER

16

YM23414-080000

GASKET

17

YM23857-030000

BOLT

Выбрано товаров: 14