Запчасти Komatsu PC75R-2 USA ТОПЛИВН. ЛИНИЯ ВПРЫСКА ДВИГАТЕЛЬ

Схема запчастей Komatsu PC75R-2 USA - ТОПЛИВН. ЛИНИЯ ВПРЫСКА ДВИГАТЕЛЬ
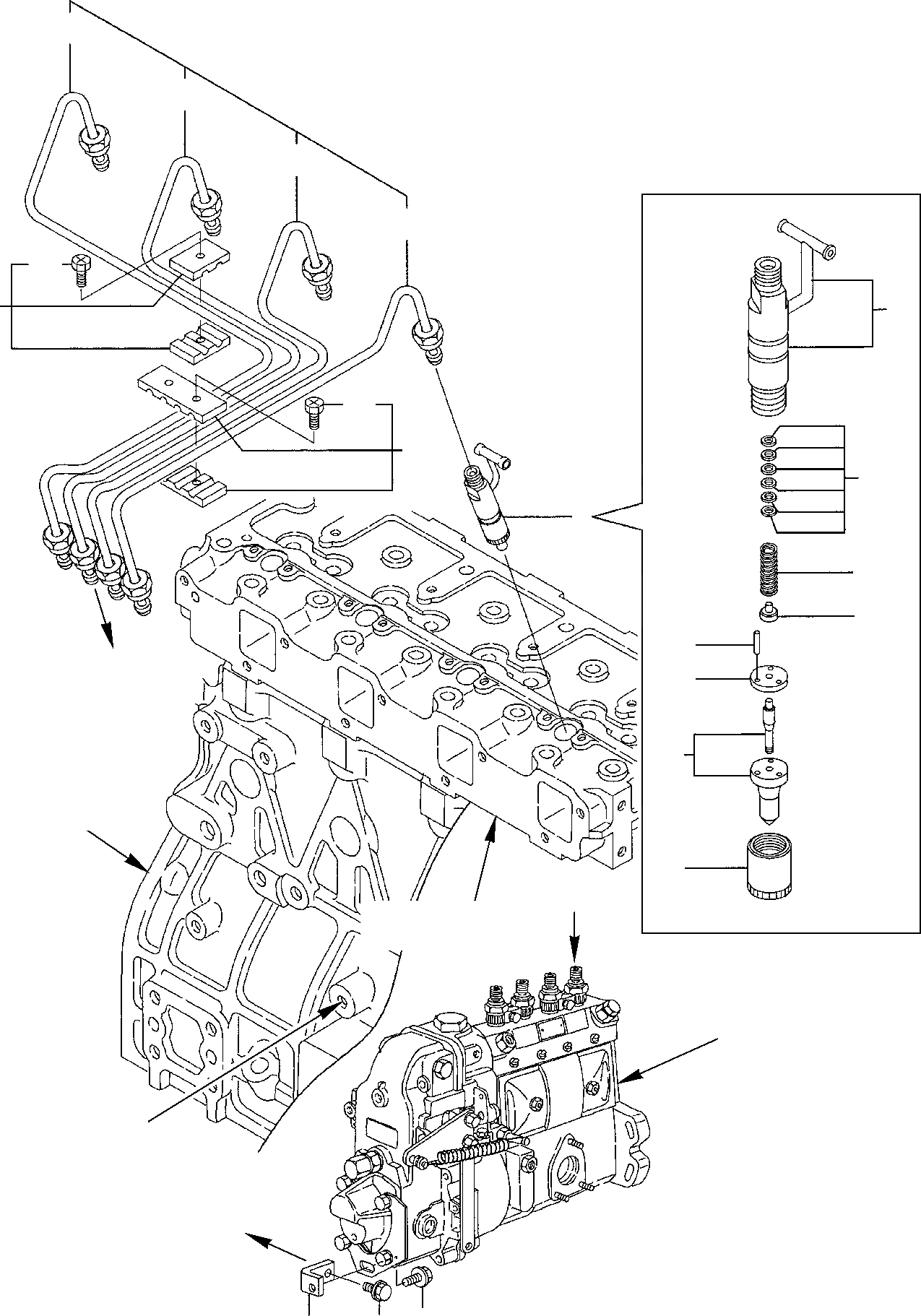
32
A
B
33
C
a
a
b
b
34
35
26
23
9
30
27
16
4
12
13
15
14
5
8
2
3
1
FIT
1:1
100%

Артикул

Название

Примечание

Количество

\0

22E-01-11000

MOTOR, ASSY.

1

YM129900-01950

SUPPORT

2

YM26106-100142

BOLT

3

YM26106-080202

BOLT PLATED

4

YM729902-53200

VALVE

5

YM129902-53050

NOZZLE

8

YM114250-53080

PIPE

9

YM129100-53100

FUEL INJECTION NOZZLE, ASSY.

12

YM114250-53120

SPRING

13

YM114250-53130

SEAT

14

YM114250-53140

PLATE, STOP

15

YM114250-53210

PIN

16

YM114250-53400

KIT, SHIM

23

YM119305-59120

RETAINER, PIPE

26

YM129150-59131

BOLT

27

YM129550-59120

RETAINER, PIPE

30

YM129150-59131

BOLT

32

YM129902-59810

INJECTION PIPE N. 1

33

YM129902-59820

INJECTION PIPE N. 2

34

YM129902-59830

INJECTION PIPE N. 3

35

YM129902-59840

INJECTION PIPE N. 4

Выбрано товаров: 21