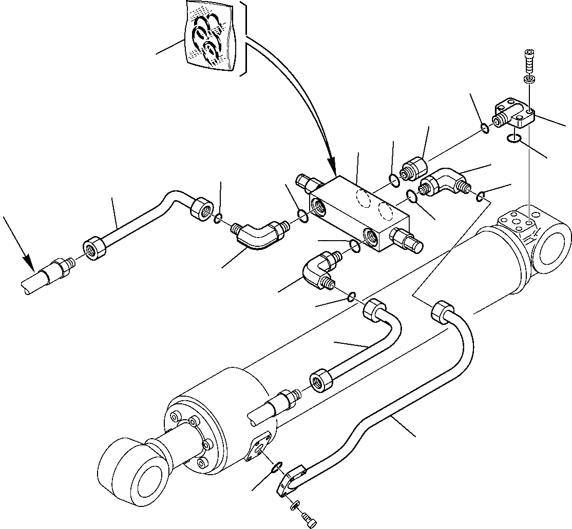
Запчасти Komatsu PC75R-2 USA ГИДРОЛИНИЯ (ЦИЛИНДР КОВША) (КЛАПАН БЕЗОПАСНОСТИ) УПРАВЛ-Е РАБОЧИМ ОБОРУДОВАНИЕМ

Схема запчастей Komatsu PC75R-2 USA - ГИДРОЛИНИЯ (ЦИЛИНДР КОВША) (КЛАПАН БЕЗОПАСНОСТИ) УПРАВЛ-Е РАБОЧИМ ОБОРУДОВАНИЕМ
A
2
14
3
12
4
1
13
5
7
6
7
11
6
6
5
5
7
8
9
10
FIT
1:1
100%

Артикул

Название

Примечание

Количество

1

21D-60-17241

VALVE, ASSY.

2

21D-60-17251

KIT, GASKET

3

22E-62-12750

UNION

4

21D-09-69970

O-RING

5

226-09-12130

ELBOW

6

21D-09-69970

O-RING

7

21D-09-69660

O-RING

8

22E-62-12760

PIPE

9

22E-62-12770

PIPE

10

21D-09-69870

O-RING

11

22E-62-12780

PIPE

12

22E-62-12790

FLANGE

13

21D-09-69870

O-RING

14

21D-09-69660

O-RING

Выбрано товаров: 14