Запчасти Komatsu PC75UD-3 ОСНОВН. КЛАПАН (8/8)(№9-) ОСНОВН. КОМПОНЕНТЫ И РЕМКОМПЛЕКТЫ

Схема запчастей Komatsu PC75UD-3 - ОСНОВН. КЛАПАН (8/8)(№9-) ОСНОВН. КОМПОНЕНТЫ И РЕМКОМПЛЕКТЫ
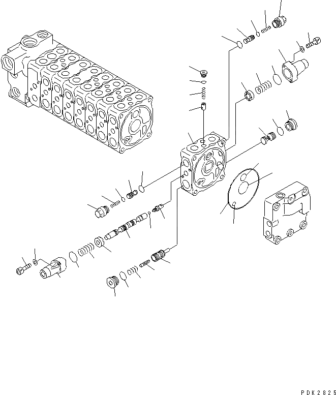
1
2
3
4
5
5
6
6
7
7
8
8
9
9
10
10
11
12
13
14
15
15
16
16
17
18
19
20
21
22
23
24
25
25
26
26
27
27
28
28
29
29
FIT
1:1
100%

Артикул

Название

Примечание

Количество

|1

723-29-15500

VALVE ASS'Y

|1

723-21-02600

VALVE SUB ASS'Y

1

BLOCK

2

SPOOL

3

PLUG

4

O-RING

5

723-26-15110

CASE

6

709-26-11450

SPRING

7

723-26-15120

RETAINER

8

575-41-17420

O-RING

9

01252-30630

BOLT

10

01641-20608

WASHER

11

VALVE

12

VALVE

13

723-26-51150

PISTON

14

723-26-14140

SPRING

15

723-26-15230

PLUG

16

07002-12434

O-RING

17

07000-13035

O-RING

18

07000-12020

O-RING

19

07000-02120

O-RING

20

07000-12010

O-RING

21

VALVE

22

723-26-15220

PLUG

23

723-26-14150

SPRING

24

07002-11223

O-RING

|25

723-20-80100

VALVE ASS'Y,SUCTION

25

SLEEVE

26

VALVE

27

SPRING

28

SEAL

29

07002-12034

O-RING

Выбрано товаров: 32