Запчасти Komatsu PC75US-3 ОСНОВН. КОНСТРУКЦИЯ (ЭЛЕКТРОПРОВОДКА) (NOMO СТРЕЛА) КАБИНА ОПЕРАТОРА И СИСТЕМА УПРАВЛЕНИЯ

Схема запчастей Komatsu PC75US-3 - ОСНОВН. КОНСТРУКЦИЯ (ЭЛЕКТРОПРОВОДКА) (NOMO СТРЕЛА) КАБИНА ОПЕРАТОРА И СИСТЕМА УПРАВЛЕНИЯ
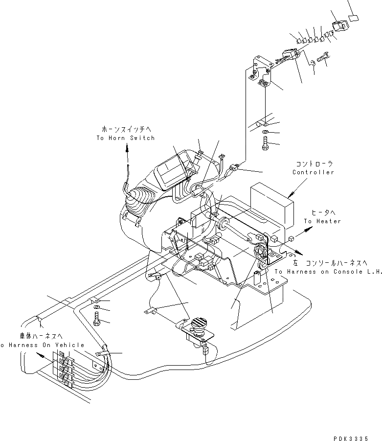
1
2
2
3
4
4
5
6
6
7
8
9
10
11
12
13
14
15
15
16
16
17
18
19
20
21
21
22
23
24
FIT
1:1
100%

Артикул

Название

Примечание

Количество

1

21W-06-33111

WIRING HARNESS

|1

08020-00000

DIODE

2

20T-06-71560

FUSE BOX

3

21W-06-21121

PLATE,FUSE

4

283-06-16190

FUSE¤ 10A

5

22W-06-13150

FUSE¤ 5A

6

205-06-73180

FUSE¤ 15A

7

22W-06-13160

FUSE¤ 20A

8

201-06-61240

FUSE¤ 30A

9

203-06-41570

SWITCH,SWING PARKING BRAKE CANCEL

10

21W-06-21152

BRACKET

11

01010-80816

BOLT

12

01643-30823

WASHER

13

20T-54-71550

BOLT

14

01643-70823

WASHER

15

08036-21814

CLIP

16

08036-03014

CLIP

16A

04434-52511

CLIP,(NOT SHOWN)

17

08036-00614

CLIP

18

01010-81016

BOLT

19

01643-31032

WASHER

20

08037-05016

GROMMET

21

08037-03614

GROMMET

22

08034-20823

BAND

23

08086-20000

SWITCH,STARTING

24

08034-20823

BAND

Выбрано товаров: 26