Запчасти Komatsu PC75US-3 ЛИНИЯ ПОДАЧИ ГИДРАВЛИКА

Схема запчастей Komatsu PC75US-3 - ЛИНИЯ ПОДАЧИ ГИДРАВЛИКА
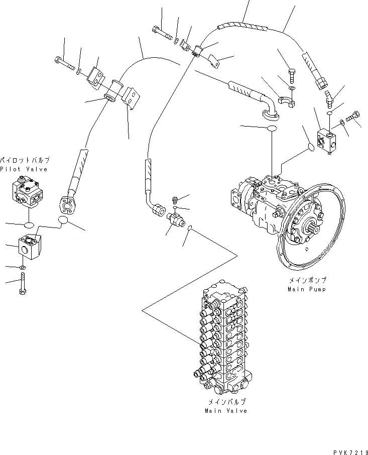
1
2
2
3
4
5
6
7
8
9
10
11
12
13
14
15
16
17
17
18
19
20
21
22
22
23
24
25
26
27
28
29
FIT
1:1
100%

Артикул

Название

Примечание

Количество

1

07371-31049

FLANGE

2

07000-13032

O-RING

3

07372-21035

BOLT

4

01643-51032

WASHER

5

21W-62-33130

HOSE

6

21W-62-31661

BLOCK

7

01010-81090

BOLT

8

01643-31032

WASHER

9

07000-13035

O-RING

10

21W-62-31132

BLOCK

11

07000-13030

O-RING

12

01010-80855

BOLT

13

01643-30823

WASHER

14

21W-62-31340

HOSE

15

07236-10522

ELBOW

16

07002-12434

O-RING

17

07094-10417

CLAMP

18

07095-00423

CUSHION

19

01010-81060

BOLT

20

01643-31032

WASHER

21

203-62-32440

COVER

22

07094-11024

CLAMP

23

07095-01035

CUSHION

24

01010-81075

BOLT

25

01643-31032

WASHER

26

21W-62-31821

TEE

27

07002-12434

O-RING

28

20U-62-31250

PLUG

|28

708-8E-16160

PLUG

29

07002-11023

O-RING

Выбрано товаров: 30