Качественные детали и логистика
Оригинальные и аналоговые запчасти с доставкой по России, Казахстану и Беларуси
©2022 PartSell ООО "Система" ИНН 2463123282 ОГРН 1212400004838
Центральный офис: г. Красноярск, Академика Киренского, д.87, пом.4
Телефон: 8 (800) 777-65-74 Email: zakaz@partsell.ru
ГИДРОЛИНИЯ (НАВЕСНОЕ ОБОРУД-Е) (ШАССИ) (/)
№
Артикул
Название
Примечание
Количество
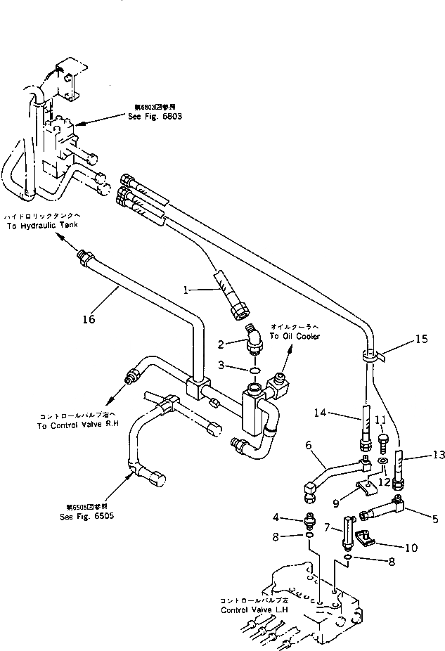
G-1
21W-973-X130
HYDRAULIC PIPING G.,(FOR ATTACHMENT)
1
07102-20604
HOSE
2
07236-10628
ELBOW
3
07002-02434
O-RING
4
07230-20422
UNION
5
21W-973-1310
TUBE
6
21W-973-1320
7
20R-62-21510
8
07002-12034
9
12F-929-3310
PLATE
10
12F-929-3320
11
01010-50825
BOLT
12
01643-30823
WASHER
13
07096-00409
14
07096-00408
15
08034-00519
BAND
G-2
21W-973-X140
MODIFIED GROUP,PIPING, (FOR ATTACHMENT)
16
21W-973-1410
Выбрано товаров: 0