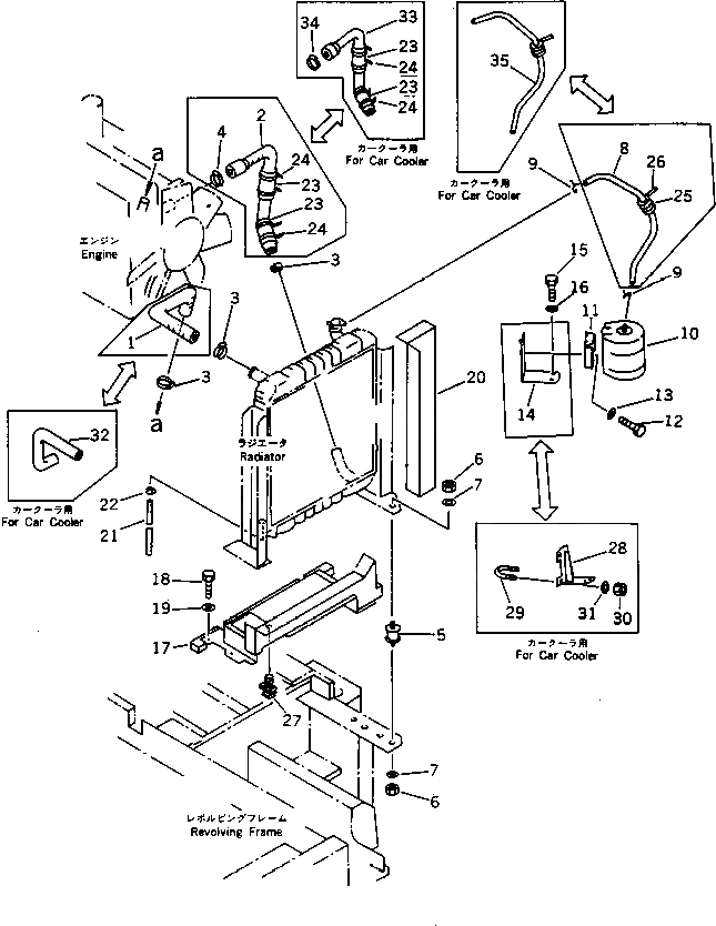
Запчасти Komatsu PC75UU-1 КРЕПЛЕНИЕ РАДИАТОРА И ТРУБЫ КОМПОНЕНТЫ ДВИГАТЕЛЯ И ЭЛЕКТРИКА

Схема запчастей Komatsu PC75UU-1 - КРЕПЛЕНИЕ РАДИАТОРА И ТРУБЫ КОМПОНЕНТЫ ДВИГАТЕЛЯ И ЭЛЕКТРИКА
FIT
1:1
100%

Артикул

Название

Примечание

Количество

1

201-03-51130

HOSE

2

201-03-51141

HOSE

3

207-09-11110

CLAMP

4

207-09-11110

CLAMP

5

20S-03-11330

CUSHION

6

01580-11008

NUT

7

01643-31032

WASHER

8

20S-03-21130

HOSE

9

206-03-43340

CLIP

10

362-03-14110

TANK,RESERVOIR

10

362-03-31160

CAP

11

362-03-14120

BRACKET

12

01010-50616

BOLT

13

01643-30623

WASHER

14

21W-03-11142

BRACKET

14

21W-03-11141

BRACKET

15

01010-51025

BOLT

16

01643-31032

WASHER

17

21W-03-11212

COVER

17

21W-03-11211

COVER

18

01010-51020

BOLT

19

01643-31032

WASHER

20

21W-03-11230

SHEET

21

21W-03-11170

HOSE

22

07280-01010

CLAMP

23

201-03-51320

SEAT

24

08034-00823

BAND

25

201-43-22190

BUSHING

26

08034-00519

BAND

27

09459-00000

LOCK

G-1

21W-978-X140

CONDENSOR MOUNT G.,(FOR CAR COOLER) (OP)

28

21W-978-1250

BRACKET

29

07283-26155

CLIP

30

01599-01011

NUT

31

01643-31032

WASHER

G-2

21W-978-X161

COMPRESSOR MOUNT G.,(FOR CAR COOLER) (OP)

G-2

21W-978-X160

COMPRESSOR MOUNT G.,(FOR CAR COOLER) (OP)

32

21W-978-1410

HOSE

33

21W-978-1420

HOSE

34

07281-00609

CLAMP

35

21K-03-12660

HOSE

Выбрано товаров: 41