Запчасти Komatsu PC75UU-1 НАВЕС ЧАСТИ КОРПУСА

Схема запчастей Komatsu PC75UU-1 - НАВЕС ЧАСТИ КОРПУСА
FIT
1:1
100%

Артикул

Название

Примечание

Количество

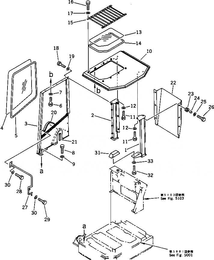
1

21W-54-12111

POLE,L.H.

1

21W-54-12110

POLE,L.H.

2

21W-54-12121

POLE,R.H.

2

21W-54-12120

POLE,R.H.

3

21W-54-12161

GUARD

3

21W-54-12160

GUARD

4

20U-54-12141

PLATE

5

20U-54-12151

STRIP

6

01010-50820

BOLT

7

01643-30823

WASHER

8

01010-51025

BOLT

9

01643-31032

WASHER

10

20U-54-12174

ROOF

10

20U-54-12173

ROOF

11

01010-51020

BOLT

12

01643-31032

WASHER

13

20U-54-12231

PLATE

14

20U-54-12241

STRIP

15

20U-54-12252

GUARD

15

20U-54-12251

GUARD

16

01010-50616

BOLT

17

01643-30623

WASHER

18

01010-50820

BOLT

19

01643-30823

WASHER

20

09412-00005

SEAL

21

09412-00002

SEAL

G-1

21W-54-X1200

REAR COVER GROUP

22

20U-54-12410

PLATE

23

08037-02512

GROMMET

24

20U-54-12420

SPACER

25

20U-54-12430

WASHER

26

01010-50825

BOLT

G-2

21W-43-X1101

HAND RAIL GROUP

G-2

21W-43-X1100

HAND RAIL GROUP

27

21W-54-12231

HAND RAIL

27

21W-54-12230

HAND RAIL

28

01010-51025

BOLT

28

01010-51025

BOLT

29

01010-51020

BOLT

29

01010-51020

BOLT

30

01643-31032

WASHER

31

21W-57-11210

CUSHION,ARM

32

01010-50825

BOLT

33

01643-30823

WASHER

Выбрано товаров: 44